Запчасти Case IH FARMALL 95C (21.160.AN[02]) - VAR - 744763 - TRANSMISSION, CREEPER (20X12) (21) - TRANSMISSION

Схема запчастей Case IH FARMALL 95C - (21.160.AN[02]) - VAR - 744763 - TRANSMISSION, CREEPER (20X12) (21) - TRANSMISSION
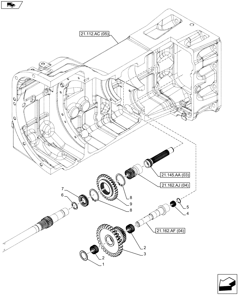
8
home
21.112.ac (05)
2
6
7
21.162.aj (04)
8
3
9
5
4
2
21.145.aa (03)
21.162.af (04)
1
FIT
1:1
100%

Артикул

Название

Примечание

Количество

1

5175973

THRUST WASHER

1шт.

2

5109747

NEEDLE BEARING,42mm ID x 47mm OD x 27mm W

2шт.

3

5175974

GEAR

Creeper, Driven

1шт.

4

5107311

NEEDLE BEARING,28mm ID x 35mm OD x 27mm W

1шт.

5

5141500

RING,28.2mm ID x 34.5mm OD x 1mm Thk

D= 28 mm

1шт.

6

5175959

HALF-RING

1шт.

7

5175960

GEAR,16T Internal / 23T External

1шт.

8

11070876

CIRCLIP,M80, Ext

D= 80 mm

2шт.

9

5175967

GEAR

Creeper, Driving

1шт.

Выбрано товаров: 9