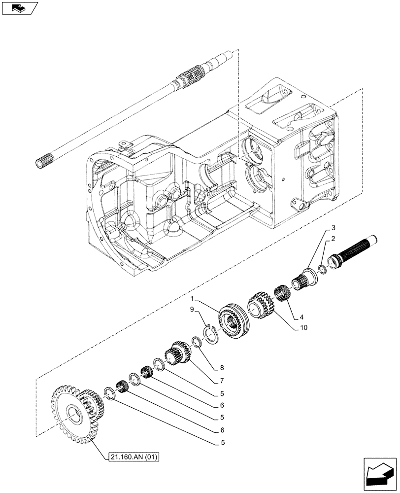
Запчасти Case IH FARMALL 95C (21.162.AJ[02]) - VAR - 744761 - TRANSMISSION, REVERSER (21) - TRANSMISSION

Схема запчастей Case IH FARMALL 95C - (21.162.AJ[02]) - VAR - 744761 - TRANSMISSION, REVERSER (21) - TRANSMISSION
home
4
6
8
21.160.an (01)
3
9
6
7
2
5
5
1
10
5
FIT
1:1
100%

Артикул

Название

Примечание

Количество

1

5186638

SYNCHRONIZER

D= 90 mm

1шт.

2

5160672

SHIM,51mm ID x 58.5mm OD x 2.7mm Thk

1шт.

3

5160665

COUPLING

Connection Clutch Shaft

1шт.

4

5149885

ROLLER CAGE BEARING,75mm ID x 81mm OD x 30mm W

1шт.

5

5160929

SNAP RING,55.3mm OD x 1.5mm Width

3шт.

6

5160928

NEEDLE BEARING

2шт.

7

5175962

SPLINED COUPLING

1шт.

8

5182075

WASHER,42.13mm ID x 56mm OD x 4mm Thk

1шт.

9

11070076

SNAP RING,M65, Ext

1шт.

10

5160664

DRIVEN GEAR

1шт.

Выбрано товаров: 10