Запчасти Case IH FARMALL 95C (27.106.AC[02]) - VAR - 333411 - DIFFERENTIAL, HEAVY DUTY (27) - REAR AXLE SYSTEM

Схема запчастей Case IH FARMALL 95C - (27.106.AC[02]) - VAR - 333411 - DIFFERENTIAL, HEAVY DUTY (27) - REAR AXLE SYSTEM
11
12
9
4
5
13
10
3
7
6
8
home
2
14
1
2
9
27.106.aa (02)
4
FIT
1:1
100%

Артикул

Название

Примечание

Количество

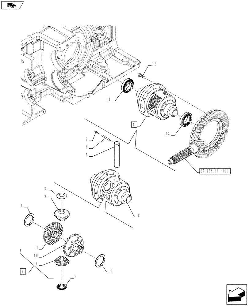
1

87596204

DIFFERENTIAL GEAR

ASSY; Incl 2 - 11

1шт.

2

4991658

THRUST WASHER,25mm ID x 54.5mm OD x 1.5mm Thk

2шт.

3

87596200

GEAR SET

ASSY; Incl 9 - 11

1шт.

4

5085514

THRUST WASHER,51mm ID x 70mm OD x Smm Thk

2шт.

4

4997235

THRUST WASHER,51mm ID x 70mm OD x 1.5mm Thk

1шт.

4

4997236

THRUST WASHER,51mm ID x 70mm OD x 1.6mm Thk

1шт.

4

5138267

THRUST WASHER,51mm ID x 70mm OD x 1.7mm Thk

1шт.

4

5144801

THRUST WASHER,51mm ID x 70mm OD x 1.4mm Thk

1шт.

4

5144802

THRUST WASHER,51mm ID x 70mm OD x 1.8mm Thk

1шт.

4

5170588

THRUST WASHER,51mm ID x 70mm OD x 1.9mm Thk

1шт.

4

5170589

THRUST WASHER,51mm ID x 70mm OD x 2mm Thk

1шт.

4

5182769

THRUST WASHER,51mm ID x 70mm OD x 2.1mm Thk

1шт.

4

5182770

THRUST WASHER,51mm ID x 70mm OD x 2.2mm Thk

1шт.

5

4991652

PIN,23mm OD x 157mm L

1шт.

6

5173242

ROLL PIN,6.5mm OD x 61mm L

1шт.

7

13807870

SET SCREW,Hex Soc, M8 x 14mm, Flat Pt

M8 x 14 mm

1шт.

8

87331264

BOX

1шт.

9

NSS

NOT SOLD SEPARAT

Pinion; Incl in 3

2шт.

10

NSS

NOT SOLD SEPARAT

Pinion; Incl in 3

1шт.

11

NSS

NOT SOLD SEPARAT

Pinion; Incl in 3

1шт.

12

14274631

LOCK BOLT,Hex, M12 x 1.25 x 35mm, Cl 10.9

M 12 x 1.25 x 35 mm

12шт.

13

87331262

TAPERED BEARING,65mm ID x 100mm OD x 23mm W

1шт.

14

26799990

TAPERED BEARING,55mm ID x 100mm OD x 22.75mm W

1шт.

Выбрано товаров: 23