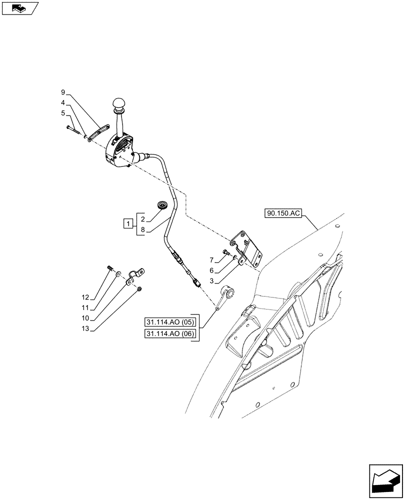
Запчасти Case IH FARMALL 95C (31.101.AC[06]) - VAR - 743768 - PTO, SPEED CHANGE LEVER (31) - IMPLEMENT POWER TAKE OFF

Схема запчастей Case IH FARMALL 95C - (31.101.AC[06]) - VAR - 743768 - PTO, SPEED CHANGE LEVER (31) - IMPLEMENT POWER TAKE OFF
90.150.ac
12
11
31.114.ao (05)
10
home
8
7
1
2
5
4
6
3
9
13
31.114.ao (06)
FIT
1:1
100%

Артикул

Название

Примечание

Количество

1

47385551

CONTROL

ASSY, Incl 2, 17

1шт.

2

84325372

GROMMET,9mm ID x 30mm OD x 9mm L

1шт.

3

84410525

BRACKET

1шт.

4

14499301

WASHER,M6 x 12.00mm OD x 1.60mm Overwrite

3шт.

5

10903721

BOLT,Hex, M6 x 55mm, Cl 8.8

3шт.

6

84188434

WASHER,8.4mm ID x 16mm OD x 1.6mm Thk

D= 8.4 x 16 x 1.6 mm

3шт.

7

86980379

BOLT,Hex, M8 x 1.25 x 20mm, Cl 8.8

M8 x 20

3шт.

8

NSS

NOT SOLD SEPARAT

Control, Incl in 1

1шт.

9

84517417

PLUG

1шт.

10

84405016

CLEVIS

1шт.

11

12637824

WASHER,5.15mm ID x 11mm OD x 1mm Thk

2шт.

12

11001221

STUD

2шт.

13

12578015

NUT,M5 x .5, Flg

2шт.

Выбрано товаров: 13