Запчасти Case IH FARMALL 95C (31.116.AG[01]) - VAR - 743768 - PTO 540/540E/1000 RPM, HYDRAULIC, CASING (31) - IMPLEMENT POWER TAKE OFF

Схема запчастей Case IH FARMALL 95C - (31.116.AG[01]) - VAR - 743768 - PTO 540/540E/1000 RPM, HYDRAULIC, CASING (31) - IMPLEMENT POWER TAKE OFF
16.
11
1
31.
4
2
6
16.ak (01)
a
5
31.
9
17
7
16
1
home
14
1
6
1
8
12
1
31.
16.af
31.
31.
15
8
16
13
3
16.ag (02)
l
1
16.ak (02)
10
FIT
1:1
100%

Артикул

Название

Примечание

Количество

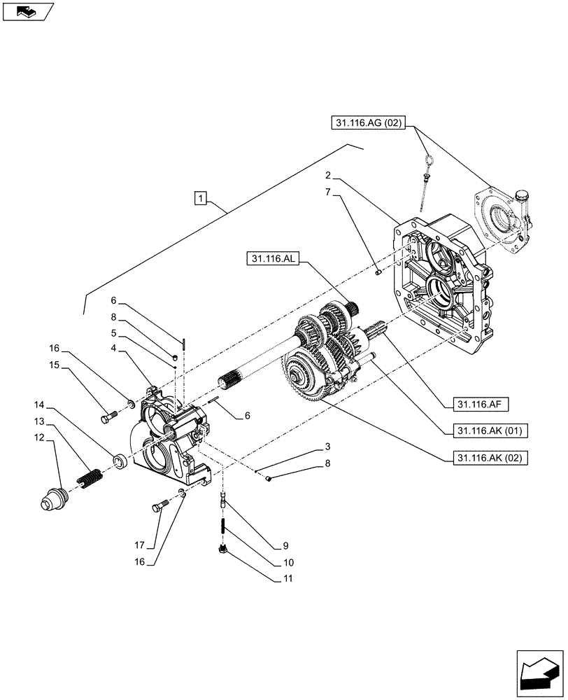
1

84135262

SUPPORT

ASSY, Incl 2-11

1шт.

2

NSS

NOT SOLD SEPARAT

Casing, Incl in 1

1шт.

3

5189186

RESTRICTOR VALVE,M8 x 1.25 x 5.3mm, Cl 8.8

1шт.

4

NSS

NOT SOLD SEPARAT

Bearing support, Incl in 1

1шт.

5

5193270

ORIFICE,M6 x 1 x 4mm, Cl 8.8

1шт.

6

10269150

PLUG,M6 x 1 x 60mm L

2шт.

7

10839710

DOWEL,M10 x 15.00mm

2шт.

8

14326001

PLUG,Hex Skt, M10 x 1.25 x 11mm, Cl 4.8

2шт.

9

5194481

PISTON

1шт.

10

5166012

SPRING,Compression, 7.5mm OD x 57mm L

1шт.

11

5180551

PLUG

1шт.

12

5197632

CAP

1шт.

13

5137481

SPRING,Compression, 32mm OD x 122mm L

1шт.

14

5137480

PISTON,40mm OD

1шт.

15

15540921

SCREW,Hex, M12 x 1.25 x 55mm, Cl 8.8

1шт.

16

11190779

BELLEVILLE WASHER,M12 Bolt Size x 24mm OD x 2.8mm Thk

4шт.

17

15540621

SCREW,Hex, M12 x 1.25 x 40mm, Cl 8.8, Full Thd

3шт.

Выбрано товаров: 17