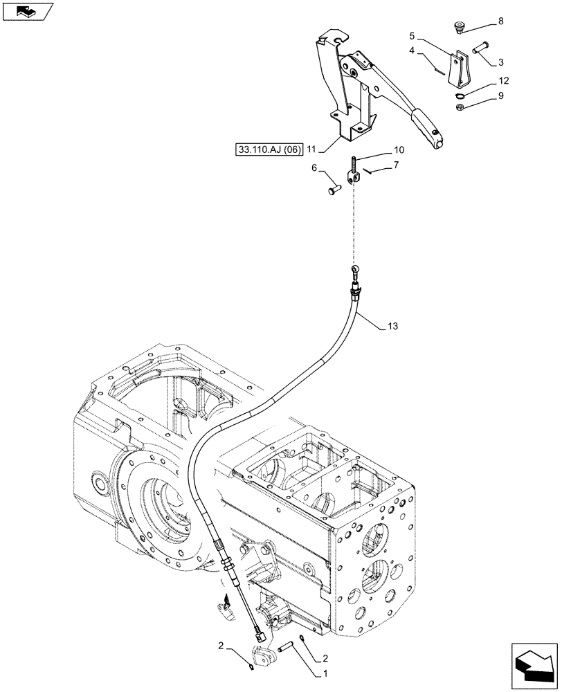
Запчасти Case IH FARMALL 95C (33.110.AJ[05]) - VAR - 392315, 394315, 334187, 334188, 334190, 334191 - HAND BRAKE, W/O CAB (33) - BRAKES & CONTROLS

Схема запчастей Case IH FARMALL 95C - (33.110.AJ[05]) - VAR - 392315, 394315, 334187, 334188, 334190, 334191 - HAND BRAKE, W/O CAB (33) - BRAKES & CONTROLS
8
2
home
12
3
6
13
9
10.aj (06)
7
10
11
2
33.
5
1
4
FIT
1:1
100%

Артикул

Название

Примечание

Количество

1

47134179

PIN,8mm OD x 38mm L

1шт.

2

11065676

SNAP RING,M8, Ext

2шт.

3

83902558

PIN,3/8" x 1.312"

1шт.

4

81813880

COTTER PIN,3/32" x 3/4"

1шт.

5

84339996

CLEVIS

1шт.

6

86639013

CLEVIS PIN,8mm OD x 25mm L

1шт.

7

10734201

COTTER PIN,M2 x 12

1шт.

8

84386747

NUT,Hex, M8 x 1.25, Cl 8.8

1шт.

9

16100811

NUT,Hex, M8, 6.80mm, Cl 8, ZND

1шт.

10

84493735

FORK,M8 x 1.25

1шт.

11

47383889

BRAKE LEVER

1шт.

12

11066276

SNAP RING,M14, Ext

1шт.

13

47383886

THROTTLE CONTROL

1шт.

Выбрано товаров: 13