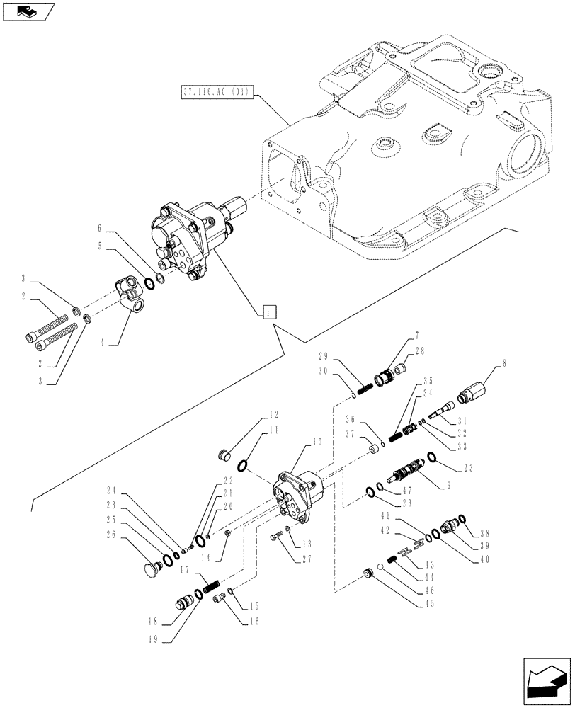
Запчасти Case IH FARMALL 95C (35.114.AA[02]) - VAR - 332785, 743596 - HYDRAULIC LIFT, VALVE (35) - HYDRAULIC SYSTEMS

Схема запчастей Case IH FARMALL 95C - (35.114.AA[02]) - VAR - 332785, 743596 - HYDRAULIC LIFT, VALVE (35) - HYDRAULIC SYSTEMS
40
7
47
21
4
23
6
14
23
28
36
2
16
42
15
44
2
23
34
41
12
9
37
33
20
home
22
19
8
3
26
25
35
11
13
10
30
18
39
3
43
37.110.ac (01)
1
24
5
46
27
17
29
32
31
45
38
FIT
1:1
100%

Артикул

Название

Примечание

Количество

1

84148463

HYDRAULIC VALVE

ASSY, Incl 7 - 47

1шт.

2

14308424

SCREW,M10 x 1.25 x 80mm L

2шт.

3

10569474

LOCK WASHER,10.2mm ID x 16mm ID x 2.5mm Thk

2шт.

4

84312686

HYD CONNECTOR

1шт.

5

14457181

O-RING,0.103" Thk x 0.549" ID, -113, Cl 5, 75 Duro

1шт.

6

44015841

BACK-UP RING,19mm ID x 20mm OD x 2.05mm Thk

1шт.

7

84185201

VALVE SEAT

1шт.

8

5117739

VALVE PRESSURE RELIE,M20 x 1.5

1шт.

9

5179745

HYDRAULIC VALVE

1шт.

10

NSS

NOT SOLD SEPARAT

Valve

1шт.

11

10279560

SEALING WASHER,22.3mm ID x 28mm OD x 1mm Thk

1шт.

12

10275014

PLUG,Hex, M22 x 1.5, Cl 5.8

1шт.

13

11193874

BELLEVILLE WASHER,M8 Bolt Size x 16mm OD x 1.4mm Thk

4шт.

14

16100814

NUT,M8, Cl 8, DAC

1шт.

15

10296160

SEALING WASHER,M12.2 x 18 x 1, Copper

1шт.

16

14360524

HEX SOC SCREW,M12 x 1.25 x 20mm, Cl 8.8, Full Thd

1шт.

17

4973361

SPRING,Compression, 15.5mm OD x 50.5mm L

1шт.

18

5117725

PLUG,M27 x 1.5

1шт.

19

14453980

O-RING,0.07" Thk x 0.99" ID, -22, Cl 5, 75 Duro

1шт.

20

5122030

SPRING WASHER,5mm ID x 11.7mm OD x 3mm Thk

1шт.

21

14454081

O-RING,1.051" ID x 0.07" Width

1шт.

22

5115469

SPRING,Compression, 7.7mm OD x 14.5mm L

1шт.

23

14457381

O-RING,17.12mm ID x 2.62" Width

5шт.

24

5117732

PIN,10.5mm OD x 15.5mm L

1шт.

25

14458081

O-RING,1.112" ID x 0.103" Width

1шт.

26

5122029

PLUG,M32 x 1.5

1шт.

27

16043834

BOLT,Hex, M8 x 1.25 x 30mm, Cl 10.9, Full Thd

4шт.

28

5117734

PLUG,M20 x 1.5

1шт.

29

5117729

SPRING,Compression, 11mm OD x 44mm L

1шт.

30

13420376

SNAP RING,M12, Int

1шт.

31

5170591

PIN,16mm OD x 72mm L

1шт.

32

5120772

O-RING,1.78mm Thk x 6.75mm ID, 85 Duro

1шт.

33

5120771

WASHER,6.73mm ID x 9.43mm OD x 1.14mm Thk

1шт.

34

5178017

SPOOL,16.5mm OD x 30.5mm L

1шт.

35

5155844

SPRING,Compression, 11mm OD x 34mm L

1шт.

36

13397476

SNAP RING,M10.8, Int

1шт.

37

5170590

SPACER,12mm ID x 17mm OD x 12mm L

1шт.

38

14457281

O-RING,0.612" ID x 0.103" Width

2шт.

39

5156291

HYD CONNECTOR,M24 x 1.5

1шт.

40

14457581

O-RING,0.799" ID x 0.103" Width

1шт.

41

4958830

BACK-UP RING,16.26mm ID x 20.62mm OD x 1.14mm Thk

1шт.

42

5148905

SPACER,3mm Thk

1шт.

43

5148907

SPACER,3mm Thk

1шт.

44

5156289

SPRING,Compression, 8.5mm OD x 25.5mm L

1шт.

45

5156290

VALVE SEAT,20mm OD x 12mm Thk

1шт.

46

20063580

BALL,13.49mm OD, Gr 100

1шт.

47

5117726

WASHER,17.83mm ID x 22.19mm OD x 1.14mm Thk

2шт.

Выбрано товаров: 47