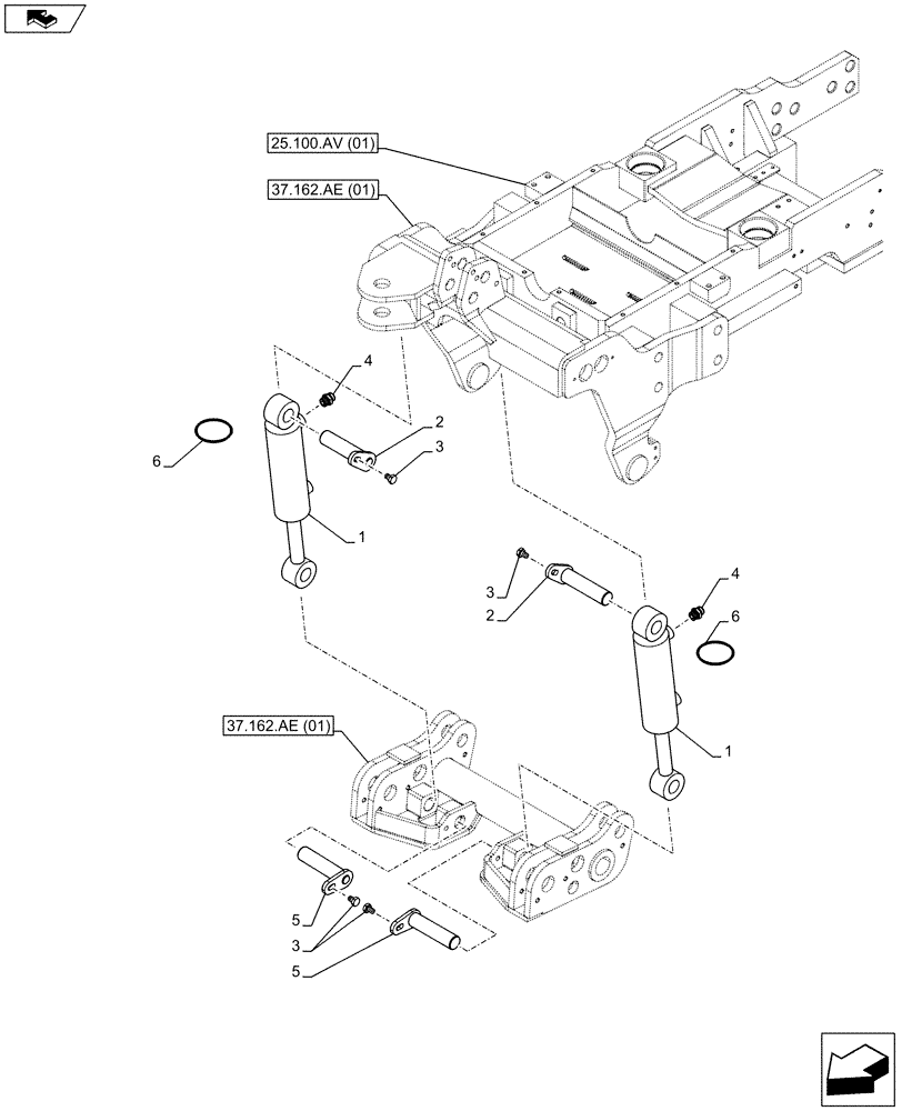
Запчасти Case IH FARMALL 95C (35.162.AB[01]) - VAR - 331789 - 3 POINT HITCH, FRONT, LINK, W/O FRONT PTO (35) - HYDRAULIC SYSTEMS

Схема запчастей Case IH FARMALL 95C - (35.162.AB[01]) - VAR - 331789 - 3 POINT HITCH, FRONT, LINK, W/O FRONT PTO (35) - HYDRAULIC SYSTEMS
3
2
25.100.av (01)
37.162.ae (01)
37.162.ae (01)
3
4
2
4
home
5
6
1
1
6
3
5
FIT
1:1
100%

Артикул

Название

Примечание

Количество

1

87301864

CYLINDER,Double Acting, 28mm Rod, 155mm Stroke

ASSY, Incl 6

2шт.

2

87596330

PIN

2шт.

3

11106021

BOLT,Hex, M10 x 1.5 x 20 mm, Cl 8.8, Full Thd

8шт.

4

87560100

BREATHER,M18 x 1.5mm

M18 X 1,5 mm

2шт.

5

47056039

SCREW

2шт.

6

84150663

SEAL KIT

1шт.

Выбрано товаров: 6