Качественные детали и логистика
Оригинальные и аналоговые запчасти с доставкой по России, Казахстану и Беларуси
©2022 PartSell ООО "Система" ИНН 2463123282 ОГРН 1212400004838
Центральный офис: г. Красноярск, Академика Киренского, д.87, пом.4
Телефон: 8 (800) 777-65-74 Email: zakaz@partsell.ru
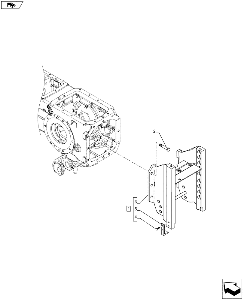
(37.106.AA[06]) - VAR - 331928 - TOWING EQUIPMENT
№
Артикул
Название
Примечание
Количество
1
84489553
FRAME
ASSY, Incl 3 - 5
1шт.
2
15981524
BOLT,Hex, M16 x 1.5 x 90mm, Cl 8.8
6шт.
3
NSS
NOT SOLD SEPARAT
Frame, Incl in 1
4
15970524
BOLT,Hex, M10 x 1.25 x 20mm, Cl 8.8, Full Thd
4шт.
5
5199462
BRACKET
2шт.
Выбрано товаров: 0