Запчасти Case IH FARMALL 95C (41.206.AA) - VAR - 743524 - POWER STEERING PUMP (14CC) (41) - STEERING

Схема запчастей Case IH FARMALL 95C - (41.206.AA) - VAR - 743524 - POWER STEERING PUMP (14CC) (41) - STEERING
6
home
14
12
4
14
35.104.aa (03)
7
14
7
35.104.aa (04)
4
5
11
10
3
14
13
6
10
5
2
6
9
8
14
14
14
14
6
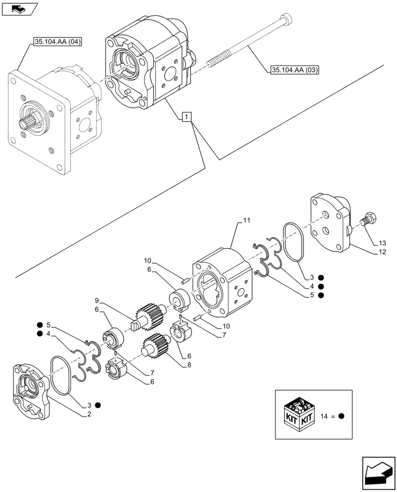
1
3
FIT
1:1
100%

Артикул

Название

Примечание

Количество

1

47499277

HYDRAULIC PUMP,Gear, 14CC

14CC, Hydraulic Services, ASSY, Incl 2 - 14

1шт.

2

NSS

NOT SOLD SEPARAT

Cover, Incl in 1

1шт.

3

NSS

NOT SOLD SEPARAT

Seal, Incl in 14

2шт.

4

NSS

NOT SOLD SEPARAT

Seal, Incl in 14

2шт.

5

NSS

NOT SOLD SEPARAT

Seal, Incl in 14

2шт.

6

NSS

NOT SOLD SEPARAT

Bushing, Inci in 1

4шт.

7

NSS

NOT SOLD SEPARAT

Pin, Incl in 1

2шт.

8

NSS

NOT SOLD SEPARAT

Gear, Incl in 1

1шт.

9

NSS

NOT SOLD SEPARAT

Gear, Incl in 1

1шт.

10

NSS

NOT SOLD SEPARAT

Pin, Incl in 1

2шт.

11

NSS

NOT SOLD SEPARAT

Body, Incl in 1

1шт.

12

NSS

NOT SOLD SEPARAT

Cover, Incl in 1

1шт.

13

NSS

NOT SOLD SEPARAT

Screw Plug, Incl in 1

1шт.

14

87601759

SEAL KIT

ASSY, Incl 3 - 5

1шт.

Выбрано товаров: 14