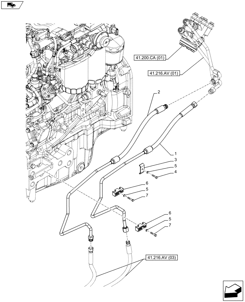
Запчасти Case IH FARMALL 95C (41.216.AV[02]) - VAR - 332723, 338723, 743560, 743561, 744580, 744581, 744582 - STEERING LINE - 4WD (SHUTTLE) (41) - STEERING

Схема запчастей Case IH FARMALL 95C - (41.216.AV[02]) - VAR - 332723, 338723, 743560, 743561, 744580, 744581, 744582 - STEERING LINE - 4WD (SHUTTLE) (41) - STEERING
41.200.ca (01)
7
41.216.av (03)
4
6
2
6
home
5
5
5
1
41.216.av (01)
7
3
FIT
1:1
100%

Артикул

Название

Примечание

Количество

1

47422514

HYD TUBE

RH, Steering Cylinder

1шт.

2

47422512

HYD TUBE

LH, Steering Cylinder

1шт.

3

84473539

PLATE

1шт.

4

10902821

SCREW,Hex, M6 x 30mm, Cl 8.8

1шт.

5

10519404

WASHER,6.4mm ID x 11.95mm OD x 1.6mm Thk

3шт.

6

87325889

BRACKET

2шт.

7

10903021

SCREW,Hex, M6 x 35mm, Cl 8.8

2шт.

Выбрано товаров: 7