Запчасти Case IH FARMALL 95C (55.020.AB[03]) - VAR - 744762, 744763, 744764 - GEARBOX, SENSOR (POWER SHUTTLE) (55) - ELECTRICAL SYSTEMS

Схема запчастей Case IH FARMALL 95C - (55.020.AB[03]) - VAR - 744762, 744763, 744764 - GEARBOX, SENSOR (POWER SHUTTLE) (55) - ELECTRICAL SYSTEMS
a
9
3
7
5
7
2
1
home
9
8
6
2
2
4
55.024.a
03
FIT
1:1
100%

Артикул

Название

Примечание

Количество

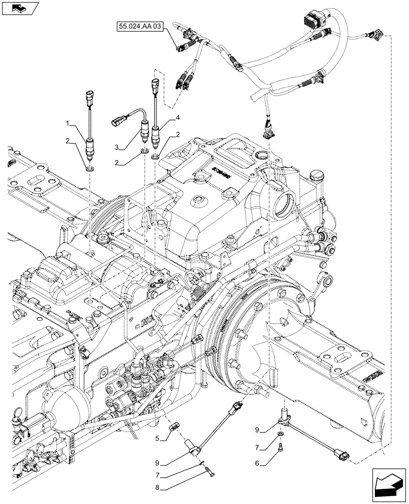
1

87585978

SWITCH

Gear sensing

1шт.

2

5169544

SEAL,14.7mm ID x 22mm OD x 1.5mm Thk

3шт.

3

87585979

SWITCH

R2 Gear Range

1шт.

4

87585980

SWITCH

R1 Gear Range

1шт.

5

47124333

SPACER

1шт.

6

10977714

SCREW,Hex, M5 x 14mm, Cl 5.8, Full Thd

2шт.

7

11181574

BELLEVILLE WASHER,M5 Bolt Size x 11mm OD x 0.9mm Thk

4шт.

8

10978021

BOLT,Hex, M5 x 20mm, Cl 8.8, Full Thd

2шт.

9

84541361

SENSOR

Speed

2шт.

Выбрано товаров: 9