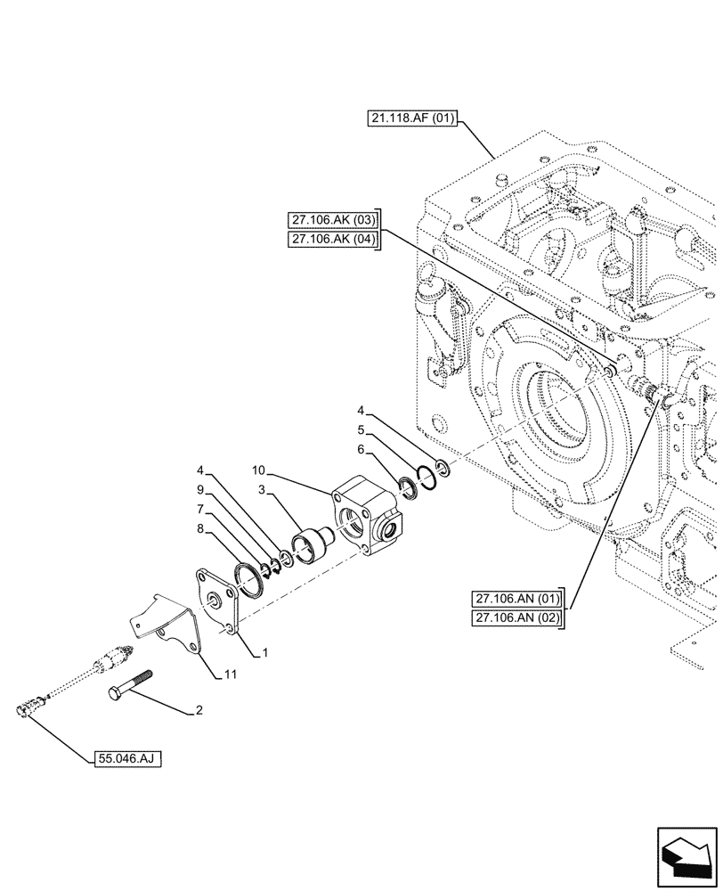
Запчасти Case IH FARMALL 95C (27.106.AO) - VAR - 743564 - DIFFERENTIAL LOCK, CONTROL, HI-LO (27) - REAR AXLE SYSTEM

Схема запчастей Case IH FARMALL 95C - (27.106.AO) - VAR - 743564 - DIFFERENTIAL LOCK, CONTROL, HI-LO (27) - REAR AXLE SYSTEM
27.106.ak (04)
9
3
4
2
8
10
1
5
11
6
7
4
27.106.an (02)
27.106.an (01)
21.118.af (01)
55.046.aj
27.106.ak (03)
FIT
1:1
100%

Артикул

Название

Примечание

Количество

1

47634906

COVER

1шт.

2

15971324

SCREW,Hex, M10 x 1.25 x 75mm, Cl 8.8

3шт.

3

5163056

PISTON

1шт.

4

84277243

ROD

2шт.

5

14463680

O-RING,0.139" Thk x 1.234" ID, -218, Cl 5, 75 Duro

1шт.

6

5162564

SEALING RING,25mm ID x 34.6mm OD x 4.2mm Thk

1шт.

7

87024782

SNAP RING,M16, Ext

1шт.

8

5162565

SEALING RING,45mm ID x 54.6mm OD x 4.2mm Thk

1шт.

9

300625

SNAP RING,M16, Ext

1шт.

10

84281493

FLANGE

1шт.

11

47609366

BRACKET

1шт.

Выбрано товаров: 11