Запчасти Case IH FARMALL 95C (33.202.BN[01]) - VAR - 334180, 334183, 334187, 334190, 334211, 391606, 392315, 743496, 743573, 744588 - BRAKE, PEDAL, CAB (33) - BRAKES & CONTROLS

Схема запчастей Case IH FARMALL 95C - (33.202.BN[01]) - VAR - 334180, 334183, 334187, 334190, 334211, 391606, 392315, 743496, 743573, 744588 - BRAKE, PEDAL, CAB (33) - BRAKES & CONTROLS
7
14
3
14
12
1
16
9
11
16
2
5
6
13
12
17
15
11
10
3
13
3
8
15
4
3
FIT
1:1
100%

Артикул

Название

Примечание

Количество

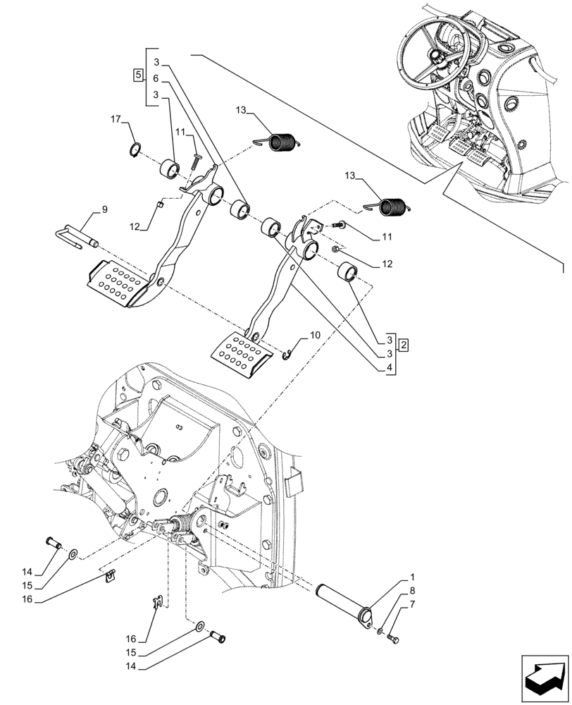
1

84591943

ROD

1шт.

2

84390504

PEDAL

RH, ASSY, Incl 3 (Qty 2), 4

1шт.

3

5097550

BUSHING,25.4mm ID x 38mm OD x 22mm L

4шт.

4

84390503

PEDAL

1шт.

5

84390508

PEDAL

LH, ASSY, Incl 3 (Qty 2), 6

1шт.

6

84390507

PEDAL

1шт.

7

10902321

SCREW,Hex, M6 x 18mm, Cl 8.8, Full Thd

1шт.

8

12601274

WAVE WASHER,6.40mm ID x 12mm OD x 0.50mm, 2.60mm H, STL, DAC

1шт.

9

84392817

PIN,12mm OD x 80mm L

Lock Brake Pedal

1шт.

10

11088180

CIRCLIP,M11, Stainless

Stainless

1шт.

11

84280664

SCREW,M6 x 26mm L

2шт.

12

12574211

NUT,M6 x 1, Cl 8

2шт.

13

84393252

SPRING,Extension, 26mm OD, 126mm L

2шт.

14

84474043

PIN,8mm OD x 30mm L

2шт.

15

12601474

WAVE WASHER,Wave, 10.50mm ID x 21.00mm OD x 0.80mm, 3.00mm, CST, DAC

2шт.

16

11064176

CLIP,M10 x 8mm

2шт.

17

11067371

CIRCLIP,M25

1шт.

Выбрано товаров: 17