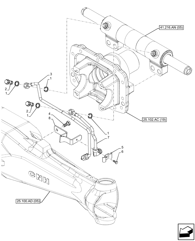
Запчасти Case IH FARMALL 95C (41.200.AO[05]) - VAR - 337323 - FRONT AXLE, LUBRICATION LINE, 4WD, HEAVY DUTY (41) - STEERING

Схема запчастей Case IH FARMALL 95C - (41.200.AO[05]) - VAR - 337323 - FRONT AXLE, LUBRICATION LINE, 4WD, HEAVY DUTY (41) - STEERING
2
41.216.an (05)
1
6
3
25.100.ad (05)
4
5
1
7
1
8
2
1
25.102.ac (19)
FIT
1:1
100%

Артикул

Название

Примечание

Количество

1

87391188

SEAL,14mm ID x 22mm OD x 1.5mm Thk

4шт.

2

87736840

BOLT,M14 x 1.5 x 30mm

M14 x 1.5 x 30

2шт.

3

47505925

TUBE

To RH Steering

1шт.

4

15970721

SCREW,Hex, M10 x 1.25 x 25mm, Cl 8.8, Full Thd

1шт.

5

4999554

CLAMP,2 Hoses

1шт.

6

10902224

SCREW,Hex, M6 x 16mm, Cl 8.8, Full Thd

1шт.

7

84384187

TUBE

To LH Steering

1шт.

8

84384195

BRACKET

1шт.

Выбрано товаров: 8