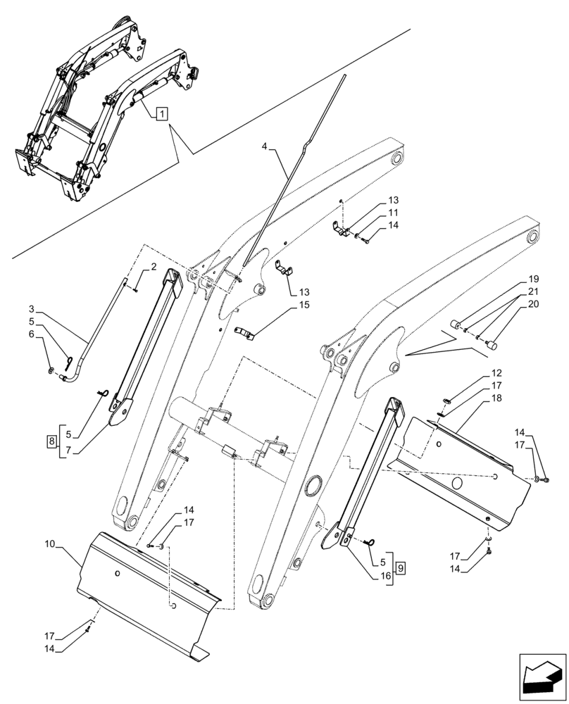
Запчасти Case IH FARMALL 95C (82.100.AF[12]) - VAR - 336741, 336743 - LOADER ARM, LOCKING DEVICE, LEVEL INDICATOR (82) - FRONT LOADER & BUCKET

Схема запчастей Case IH FARMALL 95C - (82.100.AF[12]) - VAR - 336741, 336743 - LOADER ARM, LOCKING DEVICE, LEVEL INDICATOR (82) - FRONT LOADER & BUCKET
19
14
9
5
15
7
14
17
5
17
5
2
17
21
6
14
20
4
14
17
12
18
14
17
1
13
8
10
13
11
16
3
FIT
1:1
100%

Артикул

Название

Примечание

Количество

1

47592521

LOADER

ASSY

1шт.

Front Loader (HEAVY) with 4 couplers, with Diverter - SSL Tool Attach., Var. 336741

1шт.

1

47592519

LOADER

ASSY

1шт.

Front Loader (HEAVY) with 4 couplers, with Diverter - EU Tool Attach., Var. 336743

1шт.

2

10902824

BOLT,Hex, M6 x 30mm, Cl 8.8

1шт.

3

47657214

CONNECTING LINK

1шт.

4

47406830

INDICATOR

1шт.

5

84408821

ROLL PIN

3шт.

6

84410936

WASHER

1шт.

7

NSS

NOT SOLD SEPARAT

Lever, Incl in 8

1шт.

8

84525214

LEVER

RH, ASSY, Incl, 5, 7

1шт.

9

84525220

LEVER

LH, ASSY, Incl, 5, 16

1шт.

10

47518600

COVER

Front

1шт.

11

14496501

WASHER,8.4mm ID x 17mm OD x 1.6mm Thk

6шт.

12

16104117

NUT,Hex, M8 x 1.25

M8

2шт.

13

47608233

RETAINER

2шт.

14

16043621

BOLT,Hex, M8 x 1.25 x 25mm, Cl 8.8, Full Thd

14шт.

15

47608229

COVER

1шт.

16

NSS

NOT SOLD SEPARAT

Lever, Incl in 9

1шт.

17

12642001

WASHER,8.15mm ID x 25mm OD x 1.5mm Thk

10шт.

18

47518602

COVER

Rear

1шт.

19

84599118

CUSHION

2шт.

20

84599040

RUBBER PAD

2шт.

21

15896224

NUT,Hex, M6

2шт.

Выбрано товаров: 24