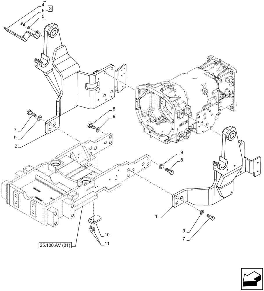
Запчасти Case IH FARMALL 95C (82.100.AK[01]) - VAR - 330489, 333489, 334489, 335489, 339489, 336730, 336731, 336732, 336733, 336734, 336735, 336736, 336739 - LOADER, SIDE MEMBER (82) - FRONT LOADER & BUCKET

Схема запчастей Case IH FARMALL 95C - (82.100.AK[01]) - VAR - 330489, 333489, 334489, 335489, 339489, 336730, 336731, 336732, 336733, 336734, 336735, 336736, 336739 - LOADER, SIDE MEMBER (82) - FRONT LOADER & BUCKET
7
10
25.100.av (01)
9
3
9
9
9
11
6
8
2
7
8
4
5
1
FIT
1:1
100%

Артикул

Название

Примечание

Количество

1

84548238

BRACKET

LH

1шт.

2

84556713

BRACKET

RH

1шт.

3

84318326

BRACKET

ASSY, Incl 4 - 6

1шт.

4

NSS

NOT SOLD SEPARAT

Bracket, Incl in 3

1шт.

5

11190574

BELLEVILLE WASHER,M10 Bolt Size x 20mm OD x 2.3mm Thk

2шт.

6

15970724

SCREW,Hex, M10 x 1.25 x 25mm, Cl 8.8, Full Thd

2шт.

7

15988231

BOLT,Hex, M20 x 1.5 x 55mm, Cl 10.9, Full Thd

6шт.

8

15988631

BOLT,Hex, M20 x 1.5 x 75mm, Cl 10.9

6шт.

9

11191879

BELLEVILLE WASHER,Belleville, 20mm ID x 38mm OD x 5.2mm Thk

12шт.

10

87572509

SPACER

Limit Axle Oscillation

2шт.

11

14442621

SCREW,Flat Csk Hd, M10 x 1.25 x 25mm, Cl 8.8

4шт.

Выбрано товаров: 11