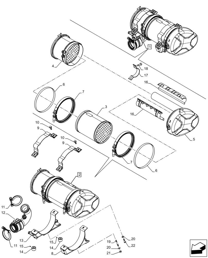
Запчасти Case IH FARMALL 95C (10.254.AI[02]) - VAR - 391151, 743544, 743545 - EXHAUST SYSTEM, MUFFLER, COMPONENTS (10) - ENGINE

Схема запчастей Case IH FARMALL 95C - (10.254.AI[02]) - VAR - 391151, 743544, 743545 - EXHAUST SYSTEM, MUFFLER, COMPONENTS (10) - ENGINE
22
10
18
13
14
7
3
11
11
8
21
16
15
14
16
15
9
17
10
7
2
6
1
5
4
12
6
20
19
9
20
FIT
1:1
100%

Артикул

Название

Примечание

Количество

1

84475388

MUFFLER

ASSY, Incl 2 - 18, Years: -18-MAR-14

1шт.

1

47623646

MUFFLER,DOC and W/DPF

ASSY, Incl 2 - 18, Start Year: 19-MAR-14

1шт.

2

84395017

MUFFLER

ASSY, Incl 3 - 7, 16 - 18, Years: -18-MAR-14

1шт.

2

47623650

ASSY, Incl 3 - 7, 16 - 18, Start Year: 19-MAR-14

1шт.

3

84413370

FILTER PARTICULATE

1шт.

3

84413370R

REMAN-FLTR PARTICUL.

1шт.

3

84413370C

CORE-FLTR PARTICUL.

Return Number

1шт.

4

NSS

NOT SOLD SEPARAT

DOC (Diesel Oxidation Catalyst) Module, Incl in 2

1шт.

5

84413371

FILTER COVER

1шт.

6

84413372

GASKET

2шт.

7

84413374

CLAMP,M6 x 1mm

2шт.

8

84480645

BRACKET

LH

1шт.

9

84480649

RETAINER COLLAR

2шт.

10

16287224

BOLT,Hex, M8 x 1.25 x 25mm, Cl 8.8, Full Thd

4шт.

11

84347394

COLLAR CLAMP,63.5mm - 70mm

2шт.

12

84553246

EXHAUST SYSTEM PIPE

1шт.

13

84554552

BRACKET

RH

1шт.

14

84554911

THREADED BUSHING,M30 x 1.5 x 20mm L

2шт.

15

13804421

SET SCREW,Hex Skt, M5 x 6mm, Flat Pt

2шт.

16

47439483

INSULATION

1шт.

17

47439485

COLLAR

1шт.

18

9671714

FLANGE BOLT,Hex, M8 x 1.25 x 25mm, Cl 8.8

2шт.

19

47419845

STUD

2шт.

20

11198479

BELLEVILLE WASHER,M10 Bolt Size x 27mm OD

4шт.

21

86500689

NUT,M10 x 1.5, Cl 10

2шт.

22

11106634

BOLT,Hex, M10 x 35mm, Cl 10.9, Full Thd

2шт.

Выбрано товаров: 26