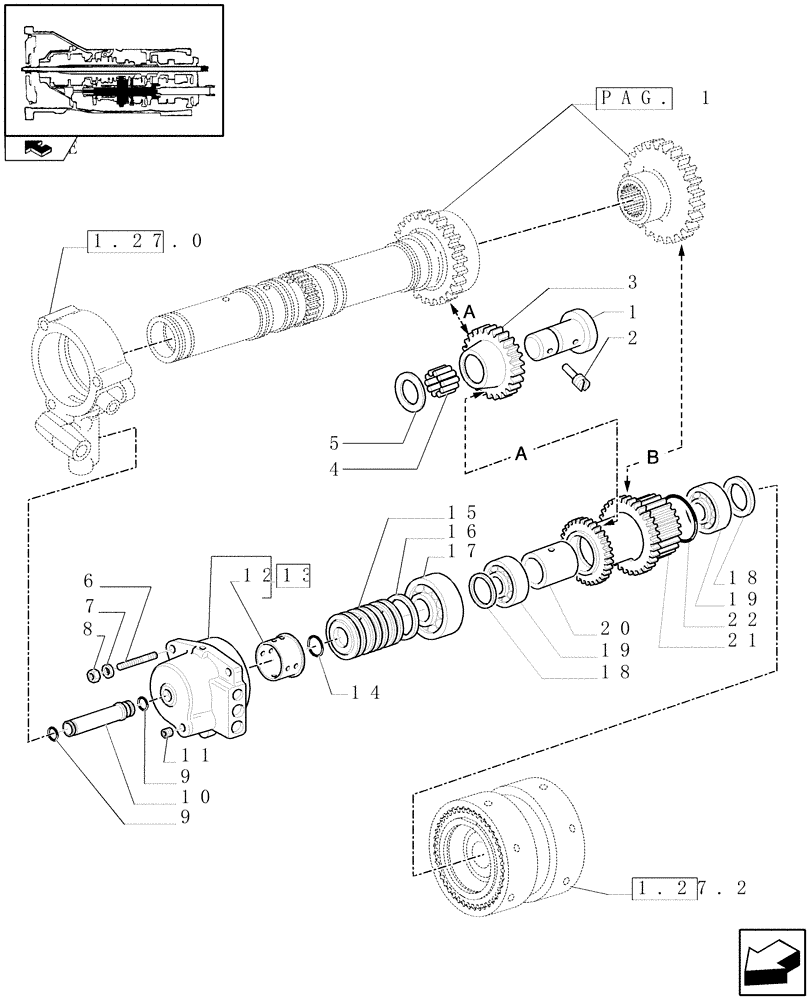
Запчасти Case IH FARMALL 95U (1.28.1/03[02]) - 24X24 HI-LO POWER SHUTTLE TRANSMISSION - HI-LO AND REVERSER DRIVEN GEARS (VAR.330279-331279-332279) (03) - TRANSMISSION

Схема запчастей Case IH FARMALL 95U - (1.28.1/03[02]) - 24X24 HI-LO POWER SHUTTLE TRANSMISSION - HI-LO AND REVERSER DRIVEN GEARS (VAR.330279-331279-332279) (03) - TRANSMISSION
9
17
22
9
1.27.0
1.27.2
3
19
2
5
15
4
19
8
16
18
10
20
6
1
18
21
13
11
14
7
pag. 1
12
home
FIT
1:1
100%

Артикул

Название

Примечание

Количество

1

5137525

PIN

1шт.

2

5109695

THREADED ROD

M10 x 1.25

1шт.

3

5137524

IDLER GEAR

1шт.

4

5117559

NEEDLE BEARING CAGE,32mm ID x 38mm OD x 26mm W

32 x 38 x 26

1шт.

5

5117560

THRUST WASHER,32.01mm ID x 48mm OD x 4.5mm Thk

1шт.

6

13517210

STUD

M8 x 12 x 30

3шт.

7

11193874

BELLEVILLE WASHER,M8 Bolt Size x 16mm OD x 1.4mm Thk

3шт.

8

16100811

NUT,Hex, M8, 6.80mm, Cl 8, ZND

3шт.

9

14453182

O-RING,0.07" Thk x 0.489" ID, -14, Cl 9, 70 Duro

2шт.

10

5182025

FITTING

1шт.

11

99434231

PLUG

10 x 1.25

1шт.

12

5194900

BUSHING,59.98mm ID x 70mm OD x 48.5mm L

1шт.

13

5194897

MANIFOLD

HI-LO

1шт.

14

14458780

O-RING,0.103" Thk x 1.549" ID, -129, Cl 5, 75 Duro

1шт.

15

5194907

MANIFOLD

1шт.

16

5175988

SEALING RING,55.6mm ID x 60mm OD x 2.42mm Thk

SEALRING 57.58 ID x 2.42mm Thk

4шт.

17

28996320

BALL BEARING,40mm ID x 80mm OD x 18mm W

40 x 80 x 18

1шт.

18

5137538

THRUST WASHER

40 x 50 x 4

2шт.

19

28042480

BALL BEARING,40.00mm x 68.00mm x 15.00mm

40 x 68 x 15

2шт.

20

5192269

RING

1шт.

21

5197896

GEAR

1шт.

22

14465680

O-RING,0.139" Thk x 3.484" ID, -238, Cl 5, 75 Duro

3.53 x 88.49

1шт.

Выбрано товаров: 22