Запчасти Case IH FARMALL 95U (1.82.7/02A[03]) - DOUBLE - ACTING EXTERNAL CONTROL VALVE WITH FLOAT AND AUTOMATIC CUTOUT - BREAKDOWN (07) - HYDRAULIC SYSTEM

Схема запчастей Case IH FARMALL 95U - (1.82.7/02A[03]) - DOUBLE - ACTING EXTERNAL CONTROL VALVE WITH FLOAT AND AUTOMATIC CUTOUT - BREAKDOWN (07) - HYDRAULIC SYSTEM
4
12
16
8
5
11
2
7
6
15
9
14
19
18
10
1
pag. 2
pag. 2
home
13
17
3
FIT
1:1
100%

Артикул

Название

Примечание

Количество

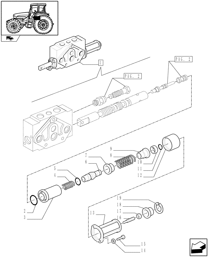
1

87396874

CONTROL VALVE

ASSY, W/Float and Kick-Out

1шт.

2

5135736

O-RING,1.78mm Thk x 20.35mm ID, 80 Duro

1шт.

3

5143574

SPOOL

1шт.

4

5163369

SPRING,Compression, 9mm OD x 38mm L

1шт.

5

5135734

O-RING,0.07" Thk x 0.614" ID, -16, Cl 5, 75 Duro

1шт.

6

5163365

PLUG,M14 x 1.5

1шт.

7

5143564

SPRING CUP,19mm ID x 27mm OD x 10.4mm L

1шт.

8

5116893

SPRING,Compression, 27mm OD x 43mm L

1шт.

9

5143575

CUP,13mm ID x 21.5mm OD x 18mm Thk

1шт.

10

5143576

SPACER,13mm ID x 18.5mm OD x 5mm L

1шт.

11

5143577

SNAP RING,11.2mm D x 1.6mm Thk

1шт.

12

5143578

SPACER,28mm ID x 32mm OD x 29.5mm L

1шт.

13

5143566

FLANGE COVER CAP,28.8mm ID x 32mm OD x 60mm L

1шт.

14

11197774

BELLEVILLE WASHER,M6 Bolt Size x 12mm OD x 1.2mm Thk

2шт.

15

5143621

HEX SOC SCREW,6.35mm OD x 48.5mm L

2шт.

16

5163362

ADJUSTMENT SCREW,Hdls Hex Skt, M3.5 x 10mm

L=30mm

1шт.

17

15896421

NUT,M5, Cl 10

1шт.

18

5143567

COVER

1шт.

19

13421276

SNAP RING,M28, Int

1шт.

Выбрано товаров: 19