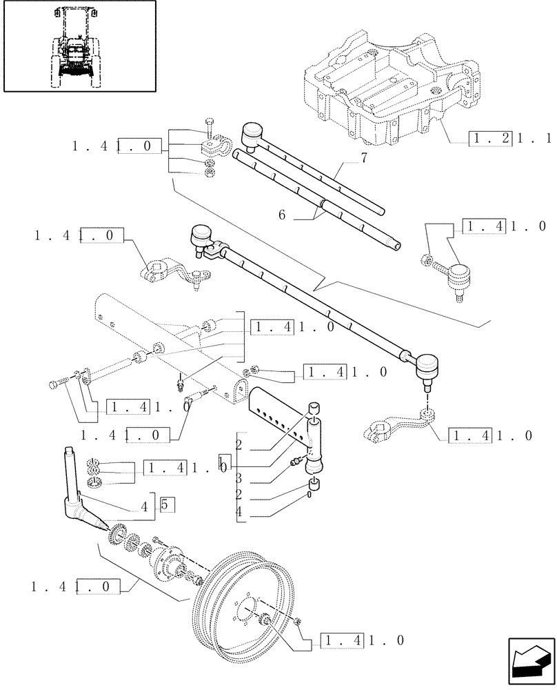
Запчасти Case IH JX1070C (1.41.0/01) - (VAR.582) FRONT AXLE - 2WD - LOW PROFILE - TIE ROD AND END (04) - FRONT AXLE & STEERING

Схема запчастей Case IH JX1070C - (1.41.0/01) - (VAR.582) FRONT AXLE - 2WD - LOW PROFILE - TIE ROD AND END (04) - FRONT AXLE & STEERING
4
1.41.0
1.41.0
4
2
1.41.0
6
1.41.0
3
1.21.1
7
1.41.0
1
2
1.41.0
5
1.41.0
1.41.0
1.41.0
1.41.0
1.41.0
FIT
1:1
100%

Артикул

Название

Примечание

Количество

1

5166105

TRACK ROD END ASSY

2шт.

2

5115656

BUSHING,38.05mm ID x 42mm OD x 40mm L

6шт.

3

13407211

LUBE NIPPLE,M10 x 1

3шт.

4

10839510

DOWEL,M6 x 9

4шт.

5

5166109

STUB AXLE/STEERING S

RH

1шт.

5

5166111

STUB AXLE/STEERING S

LH

1шт.

6

5166076

RIGID TUBE

945mm (37-1/4") L

1шт.

7

5166077

TRACK ROD ASSY

740mm L.

1шт.

Выбрано товаров: 8