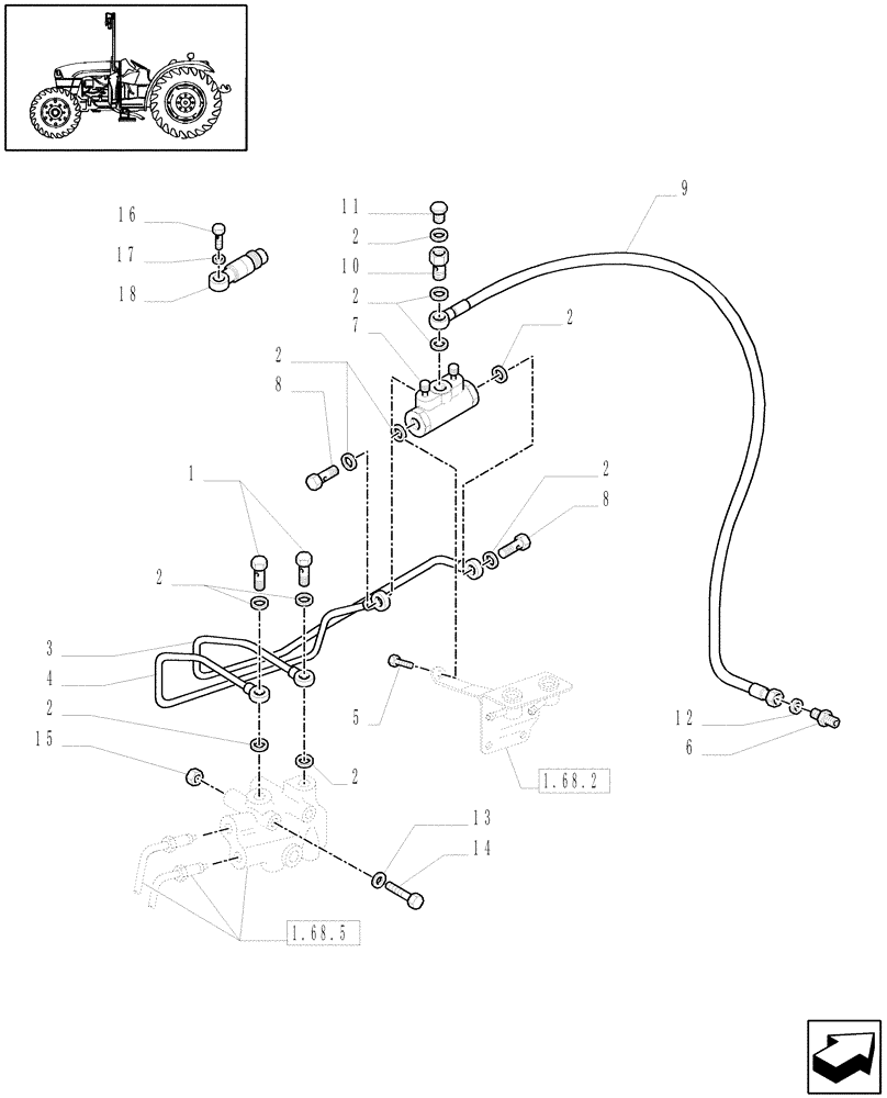
Запчасти Case IH JX1070C (1.68.5/02) - (VAR.326/1) STANDARD FRONT AXLE W/ ELECTROHYDR. DIFF. LOCK, W/ BRAKES (30KM/H) (05) - REAR AXLE

Схема запчастей Case IH JX1070C - (1.68.5/02) - (VAR.326/1) STANDARD FRONT AXLE W/ ELECTROHYDR. DIFF. LOCK, W/ BRAKES (30KM/H) (05) - REAR AXLE
2
2
12
17
10
1.68.5
2
14
6
18
1
1.68.2
9
16
15
8
2
2
13
4
11
2
2
5
8
7
3
2
FIT
1:1
100%

Артикул

Название

Примечание

Количество

1

10185011

BANJO BOLT,M12 x 1.25 x 23mm

2шт.

2

2854292

SEALING WASHER,12mm ID x 17mm OD x 1.5mm Thk

12x18

16шт.

3

5182978

RIGID TUBE

UPPER

1шт.

4

5182977

RIGID TUBE

LOWER

1шт.

5

16042921

BOLT,Hex, M8 x 10mm, Cl 8.8, Full Thd

1шт.

6

47131899

HYD CONNECTOR

1шт.

7

5143506

MASTER CYLINDER

Synchronizing, Assy

1шт.

8

5121685

BANJO BOLT,M12 x 1.5 x 23mm

1шт.

9

5173912

HOSE,4.75mm ID x 1450mm L

1шт.

10

5185683

HYD CONNECTOR

, Serial Range: -HJH056860

1шт.

11

10300511

PLUG,M12 x 1.5 x 12, Cl5.8

, Serial Range: -HJH056860

1шт.

12

10261660

SEALING WASHER,M18.3 x 26 x 1.5, Copper

1шт.

13

11193974

BELLEVILLE WASHER,M8 Bolt Size x 22mm OD x 1.5mm Thk

2шт.

14

16045024

BOLT,Hex, M8 x 1.25 x 90mm, Cl 8.8

2шт.

15

16100814

NUT,M8, Cl 8, DAC

2шт.

16

87392054

HYD CONNECTOR,M12 x 1 x 42.5mm L

, Start Serial: HJH056861

1шт.

17

2854292

SEALING WASHER,12mm ID x 17mm OD x 1.5mm Thk

, Start Serial: HJH056861

1шт.

18

82030175

BANJO FITTING,M8 x 1 x 53mm

, Start Serial: HJH056861

1шт.

Выбрано товаров: 18