Запчасти Case IH JX60 (1.67.1[02]) - BRAKE CONTROL RODS - C6837 (05) - REAR AXLE

Схема запчастей Case IH JX60 - (1.67.1[02]) - BRAKE CONTROL RODS - C6837 (05) - REAR AXLE
30
24
15
7
29
6
26
27
14
11
23
10
23
2
21
19
20
31
22
24
28
12
17
4
11
3
31
18
25
16
22
13
1
26
13
16
17
8
9
1.92.68
5
FIT
1:1
100%

Артикул

Название

Примечание

Количество

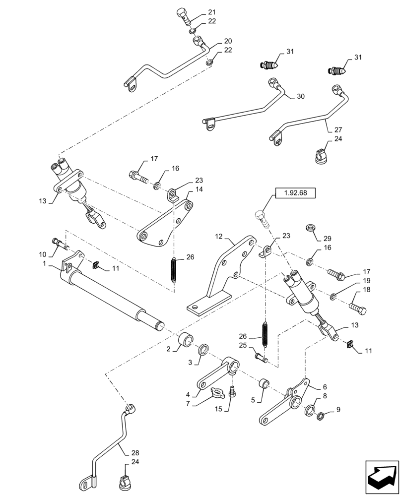
1

5097641

SHAFT

1шт.

2

5097640

SPACER

1шт.

3

5117525

WASHER,25.5mm ID x 36mm OD x 2mm Thk

1шт.

4

5097630

SUPPORT

1шт.

5

5122339

BUSHING,25.05mm ID x 28mm OD x 15mm L

2шт.

6

5097622

SUPPORT

1шт.

7

5125342

ROCKER ARM

1шт.

8

5118949

WASHER,30.5mm ID x 50mm OD x 2mm Thk

1шт.

9

370002

CIRCLIP,M25, External

1шт.

10

87725815

PIN,10mm OD x 42mm L

2шт.

11

11064176

CLIP,M10 x 8mm

2шт.

12

5097618

SUPPORT

1шт.

13

87396912

BRAKE CYLINDER,35.7mm Stroke

M14 x 1.5, Serial Range: -C6376

2шт.

13

87748455

BRAKE CYLINDER,35.7mm Stroke

M12 x 1.25, Start Serial: D6376

2шт.

14

5097634

SUPPORT

1шт.

15

4968813

BOLT,Hex, M16 x 1.5 x 32mm

2шт.

16

412123

LOCK WASHER,13.1mm ID x 21.1mm OD x 2.55mm Thk

4шт.

17

15540631

BOLT,Hex, M12 x 1.25 x 40mm, Cl 10.9, Full Thd

4шт.

18

16204524

BOLT,Hex, M10 x 1.25 x 35mm, Cl 8.8

4шт.

19

10516879

LOCK WASHER,10.2mm ID x 17.7mm OD x 2.5mm Thk

4шт.

20

87551429

PIPE

Air Intake, Serial Range: -C6052

1шт.

21

5143514

BANJO BOLT

1шт.

22

98474305

SEALING WASHER

2шт.

23

5152163

BRACKET

4шт.

24

14571880

SPRING CLIP

2шт.

25

5111590

PIN,10mm OD x 28mm L

2шт.

26

87725931

SPRING

2шт.

27

87487203

PIPE

Incl 31, Air Intake, Start Serial: D6052

1шт.

28

87487201

PIPE

Air Bleeding, Start Serial: D6660

1шт.

29

4858606

SEAL,10.2mm ID x 16mm OD x 1mm Thk

, Start Serial: D6660

4шт.

30

84137989

PIPE

Incl 31, Start Serial: D6660

1шт.

31

84401441

BLEEDER

2шт.

Выбрано товаров: 32