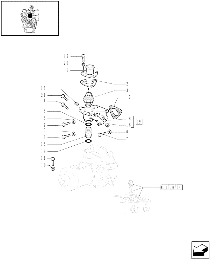
Запчасти Case IH JX60 (0.32.6/02) - (VAR.319-747) TTF ENGINE TIER2 - THERMOSTAT AND RELATED PARTS (01) - ENGINE

Схема запчастей Case IH JX60 - (0.32.6/02) - (VAR.319-747) TTF ENGINE TIER2 - THERMOSTAT AND RELATED PARTS (01) - ENGINE
5
9
21
7
0.06.0/04
6
11
16
10
2
6
19
6
17
13
15
1
3
14
20
8
18
7
12
FIT
1:1
100%

Артикул

Название

Примечание

Количество

1

16045021

BOLT,Hex, M8 x 1.25 x 90mm, Cl 8.8

1шт.

2

98482590

GASKET

1шт.

2

99450535

SEAL

W/AC

1шт.

3

5088484

THERMOSTAT

1шт.

4

4823212

GASKET,45mm ID x 51.50mm OD x 4.30mm Thk

1шт.

5

2852978

O-RING,0.103" Thk x 0.924" ID, -119, Cl 7, 75 Duro

1шт.

6

11198379

SPRING WASHER,10.5mm ID x 20mm OD x 2.6mm Thk

3шт.

7

11234721

BOLT,Hex, M10 x 1.25 x 45, 8.8

2шт.

8

15970721

SCREW,Hex, M10 x 1.25 x 25mm, Cl 8.8, Full Thd

1шт.

9

4661543

HOUSING,Thermostat

1шт.

9

5116935

SUPPORT

W/AC

1шт.

10

14496501

WASHER,8.4mm ID x 17mm OD x 1.6mm Thk

2шт.

11

16043321

BOLT,Hex, M8 x 1.25 x 18mm, Cl 8.8, Full Thd

2шт.

12

16043621

BOLT,Hex, M8 x 1.25 x 25mm, Cl 8.8, Full Thd

3шт.

13

87573794

PLUG,Flg Cup, 9mm OD x 8.50mm High

D=9

3шт.

14

14463281

O-RING,0.984" ID x 0.139" Width

1шт.

15

98415712

HYD CONNECTOR

1шт.

16

14325211

PLUG,M20 x 1.5

2шт.

17

98400784

GASKET,0.5mm Thk

1шт.

18

4823619

BODY

1шт.

19

4823608

BANJO BOLT

1шт.

20

11193879

BELLEVILLE WASHER,M8 Bolt Size x 16mm OD x 1.4mm Thk

3шт.

21

16044821

SCREW,Hex, M8 x 80mm, Cl 8.8

2шт.

Выбрано товаров: 23