Запчасти Case IH JX65 (0.02.0 SEC. 01[02]) - ENGINE (01) - ENGINE

Схема запчастей Case IH JX65 - (0.02.0 SEC. 01[02]) - ENGINE (01) - ENGINE
0.36.0
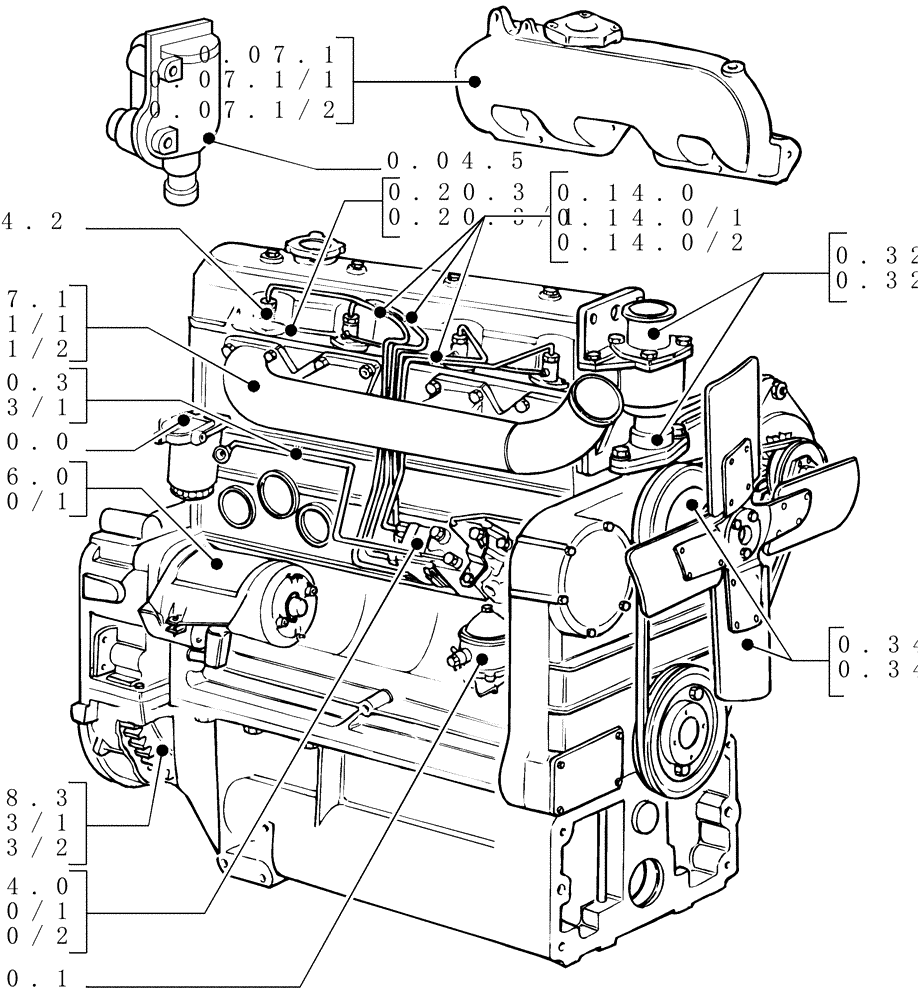
0.07.1/1
0.20.0
0.20.3
0.32.6/1
0.07.1/2
0.34.7
0.08.3
0.14.0/1
0.14.0
0.20.3/1
0.20.3/1
0.04.5
0.34.7/1
0.36.0/1
0.07.1/2
0.14.0
0.07.1/1
0.08.3/2
0.20.3
0.20.1
0.14.0/2
0.14.0/2
0.14.0/1
0.08.3/1
0.14.2
0.07.1
0.07.1
0.32.6
FIT
1:1
100%