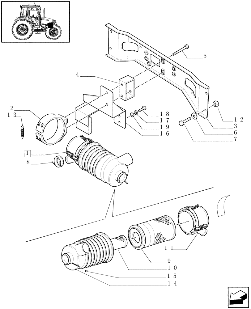
Запчасти Case IH JX70 (1.19.1[01A]) - DRY AIR CLEANER - D6355 (02) - ENGINE EQUIPMENT

Схема запчастей Case IH JX70 - (1.19.1[01A]) - DRY AIR CLEANER - D6355 (02) - ENGINE EQUIPMENT
11
12
15
8
9
10
16
18
19
13
2
3
1
7
14
4
17
6
5
FIT
1:1
100%

Артикул

Название

Примечание

Количество

1

5097072

AIR CLEANER

ASSY, JX60, JX80

1шт.

1

5097073

AIR CLEANER

ASSY, JX70, JX90, JX95

1шт.

2

5093989

SUPPORT

JX60, JX80

1шт.

2

84209099

SUPPORT

JX90, JX95

1шт.

2

5092640

BRACKET

JX70

1шт.

3

5094521

SUPPORT

1шт.

4

5092620

SPACER

JX60, JX80

1шт.

4

5092628

SPACER

JX70, JX90, JX95

1шт.

5

83931335

BOLT,Hex, M10 x 1.5 x 75mm, Cl 8.8

JX60, JX80

2шт.

5

11307021

BOLT,Hex, M10 x 1.25 x 40, 10.9, Full Thd

JX70, JX90, JX95

2шт.

6

10571779

LOCK WASHER,Helical Spring, 8.10mm ID x 14.80mm OD x 2.00mm, ZNM

4шт.

7

16043324

BOLT,Hex, M8 x 1.25 x 18mm, Cl 8.8, Full Thd

4шт.

8

47135967

PROTECTION CAP

JX60, JX80

1шт.

8

5080448

DUST VALVE

JX70, JX90, JX95

1шт.

9

87704249

AIR FILTER

JX60, JX80

1шт.

9

84217229

AIR FILTER,91mm ID x 164.5mm OD x 347mm L

JX70, JX90, JX95

1шт.

10

86982523

FILTER,ELEMENT

JX60, JX80

1шт.

10

87682999

AIR FILTER,74.1mm ID x 94.6mm OD x 339.5mm L

JX70, JX90, JX95

1шт.

11

5080440

COVER

JX60, JX80

1шт.

11

5080447

COVER

JX70, JX90, JX95

1шт.

12

9706690

NUT,M8 x 1.25, Cl 8

JX60, JX80

4шт.

12

14197991

NUT,M8 x 1.25, Cage

JX70, JX90, JX95

2шт.

13

5090988

SPRING,12mm OD x 50mm

2шт.

14

5080439

BODY

JX60, JX80

1шт.

14

5080446

DUST VALVE

JX70, JX90, JX95

1шт.

15

5080443

PLUG

JX60, JX80

1шт.

16

84209088

SUPPORT

JX90, JX95

1шт.

17

12601374

WAVE WASHER,Wave, 8.40mm ID x 15.00mm OD x 0.80mm, 3.00mm, CST, DAC

JX90, JX95

2шт.

18

16043524

SCREW,Hex, M8 x 1.25 x 22mm, Cl 8.8, Full Thd

JX90, JX95

2шт.

19

12601471

WAVE WASHER,10.5mm OD x 21mm ID x 1mm Thk

JX90, JX95

2шт.

Выбрано товаров: 30