Запчасти Case IH JX75 (1.40.1/05) - (VAR.324) 4WD FRONT AXLE WITH SLIP CONTROL FRONT BRAKE - SUPPORT (04) - FRONT AXLE & STEERING

Схема запчастей Case IH JX75 - (1.40.1/05) - (VAR.324) 4WD FRONT AXLE WITH SLIP CONTROL FRONT BRAKE - SUPPORT (04) - FRONT AXLE & STEERING
11
10
2
4
8
9
3
1.40.0/1
5
6
9
7
1
FIT
1:1
100%

Артикул

Название

Примечание

Количество

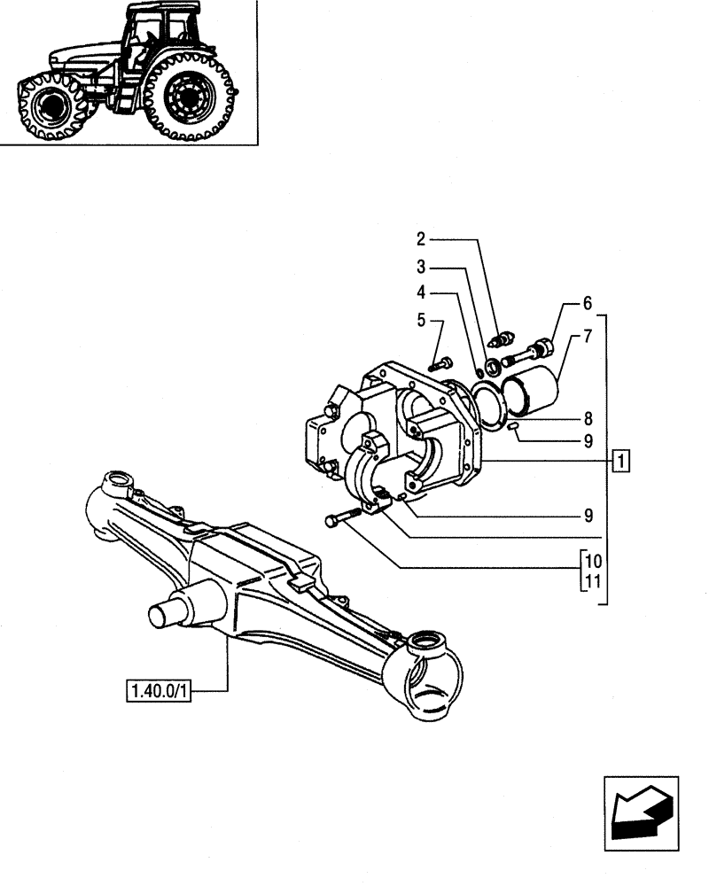
1

5153613

SUPPORT

1шт.

2

5106843

BLEEDER,Bleeder, M12 x 1.25 x 24mm

1шт.

3

10263460

SEAL,22.3mm ID x 28mm OD x 1.5mm Thk

1шт.

4

14452781

O-RING,6.07mm ID x 1.78" Width

1шт.

5

14274631

LOCK BOLT,Hex, M12 x 1.25 x 35mm, Cl 10.9

10шт.

6

5146002

HYD CONNECTOR

1шт.

7

5136120

BUSHING,90mm ID x 99.05mm OD x 72mm L

1шт.

8

5136119

RING,90.3mm ID x 136mm OD x 5mm Thk

1шт.

9

4966244

PIN,5mm OD x 15mm L

3шт.

10

14275331

LOCK BOLT,Hex, M12 x 1.25 x 70mm, Cl 10.9

2шт.

11

14276934

BOLT,Hex, M12 x 1.25 x 78mm, Cl 10.9

M12 x 1.25 x 78

2шт.

Выбрано товаров: 11