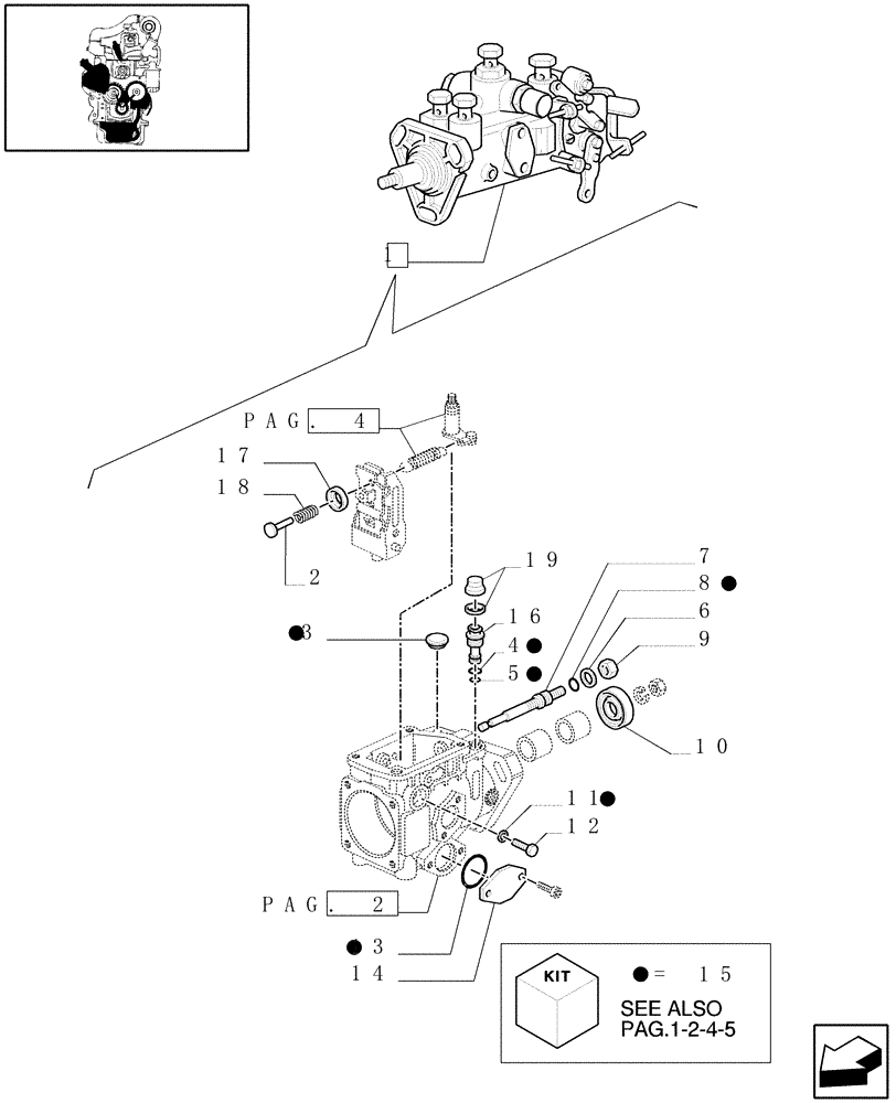
Запчасти Case IH JX85 (0.14.0/01C[03]) - INJECTION PUMP, SPINDLE & VALVE (01) - ENGINE

Схема запчастей Case IH JX85 - (0.14.0/01C[03]) - INJECTION PUMP, SPINDLE & VALVE (01) - ENGINE
3
19
17
1
pag. 4
7
15
15
15
16
15
15
12
pag. 2
18
6
8
14
10
15
15
11
13
4
2
5
9
FIT
1:1
100%

Артикул

Название

Примечание

Количество

1

500324962

FUEL INJECTION PUMP

1шт.

1

500324962R

REMAN-INJECTION PUMP

1шт.

1

500324962C

CORE-INJECTION PUMP

Return Number

1шт.

2

9971876

PIN

1шт.

3

9961996

PLUG

1шт.

4

9008551

SEAL

1шт.

5

9967826

GASKET

1шт.

6

9962025

O-RING

1шт.

7

8190195

SPINDLE

1шт.

8

9968132

GASKET

1шт.

9

8123247

NUT

1шт.

10

9968111

SEAL

1шт.

11

9967841

GASKET

2шт.

12

42490970

SCREW

2шт.

13

9968113

SEAL

1шт.

14

86536465

O-RING

1шт.

15

79071400

SEAL

1шт.

16

79071379

BLEEDER VALVE

1шт.

17

9961310

CAP WASHER

1шт.

18

9971836

SPRING

1шт.

19

9971838

KIT

1шт.

Выбрано товаров: 21