Запчасти Case IH JX90 (1.26.5) - P.T.O CONTROL (03) - TRANSMISSION

Схема запчастей Case IH JX90 - (1.26.5) - P.T.O CONTROL (03) - TRANSMISSION
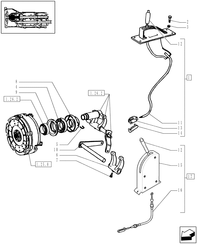
17
7
16
6
1
10
11
1.26.2
1.25.0
2
12
14
5
15
9
1.26.2
12
13
3
4
8
FIT
1:1
100%

Артикул

Название

Примечание

Количество

1

5095082

LEVER

Control, Serial Range: -C6748

1шт.

2

16043321

BOLT,Hex, M8 x 1.25 x 18mm, Cl 8.8, Full Thd

2шт.

3

10571779

LOCK WASHER,Helical Spring, 8.10mm ID x 14.80mm OD x 2.00mm, ZNM

2шт.

4

24905360

BALL BEARING,70mm ID x 110mm OD x 20mm W

1шт.

5

44011615

SPRING,15mm, Free Length

2шт.

6

4993814

SHIFTER FORK,M16 x 1.5

1шт.

7

4968813

BOLT,Hex, M16 x 1.5 x 32mm

1шт.

8

4993816

SLEEVE

1шт.

9

5087034

COLLAR,64mm ID x 126mm OD x 32mm L

1шт.

9

5089370

COLLAR,64mm ID x 136mm OD x 44.5mm L

JX95

1шт.

10

5089957

LEVER

1шт.

11

5089959

CABLE,1668mm L

1668mm L., Serial Range: -C6748

1шт.

12

5089962

ARM

1шт.

13

5096004

YOKE

, Serial Range: -C6748

1шт.

14

5111594

PIN,10mm OD x 65mm L

, Serial Range: -C6748

1шт.

15

5089960

SUPPORT

, Start Serial: D6748

1шт.

16

84297808

CABLE,1688mm L

, Start Serial: D6748

1шт.

17

84293700

LEVER

, Start Serial: D6748

1шт.

Выбрано товаров: 18