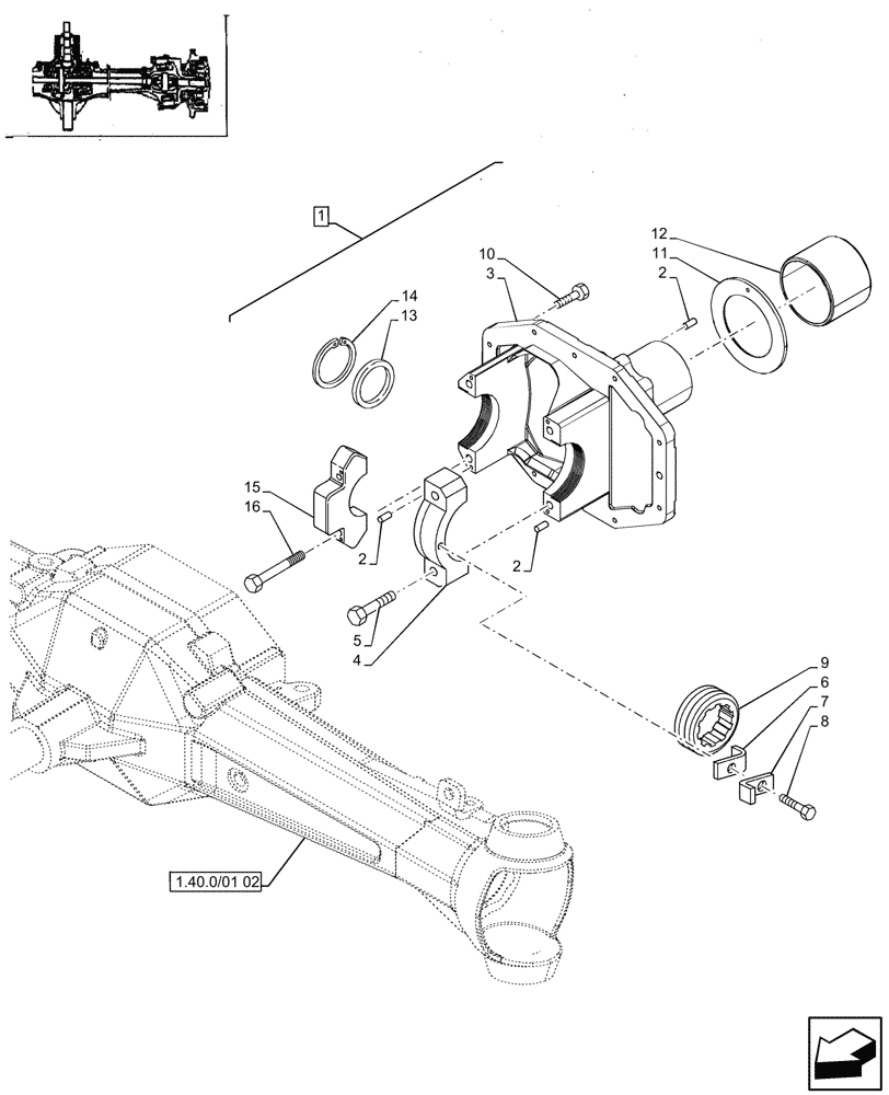
Запчасти Case IH JX90 (1.40.3/05[02]) - (VAR.115) 4WD FRONT AXLE, DIFFERENTIAL, CARRIER (04) - FRONT AXLE & STEERING

Схема запчастей Case IH JX90 - (1.40.3/05[02]) - (VAR.115) 4WD FRONT AXLE, DIFFERENTIAL, CARRIER (04) - FRONT AXLE & STEERING
7
1
14
6
15
3
1.40.0/01 02
10
2
12
5
2
8
13
4
16
2
11
9
FIT
1:1
100%

Артикул

Название

Примечание

Количество

1

5153613

SUPPORT

ASSY, Incl 2 - 5, 11, 12, 15, 16

1шт.

2

4966244

PIN,5mm OD x 15mm L

5шт.

3

NSS

NOT SOLD SEPARAT

Differential Gear Support, Incl in 1

1шт.

4

NSS

NOT SOLD SEPARAT

Keep, Incl in 1

1шт.

5

14275334

BOLT,Lock, Hex, M12 x 1.25 x 70mm, Cl 10.9

2шт.

6

4996751

PLATE

1шт.

7

562659

PLATE

2шт.

8

15970521

BOLT,Hex, M10 x 1.25 x 20mm, Cl 8.8, Full Thd

1шт.

9

4996750

RING NUT,M100 x 2

1шт.

10

14274631

LOCK BOLT,Hex, M12 x 1.25 x 35mm, Cl 10.9

10шт.

11

5136119

RING,90.3mm ID x 136mm OD x 5mm Thk

1шт.

12

5136120

BUSHING,90mm ID x 99.05mm OD x 72mm L

1шт.

13

5141460

SHIM,83mm ID x 94.9mm OD x 0.9mm Thk

1шт.

13

5141461

SHIM,83mm ID x 94.9mm OD x 1mm Thk

1шт.

13

5141462

SHIM,83mm ID x 94.9mm OD x 1.1mm Thk

1шт.

13

5141463

SHIM,83mm ID x 94.9mm OD x 1.2mm Thk

1шт.

13

5141464

SHIM,83mm ID x 94.9mm OD x 1.3mm Thk

1шт.

13

5141465

SHIM,83mm ID x 94.9mm OD x 1.4mm Thk

1шт.

13

5141466

SHIM,83mm ID x 94.9mm OD x 1.5mm Thk

1шт.

13

5141467

SHIM,83.00mm ID x 94.50mm OD x 1.60mm T

1шт.

13

5141468

SHIM,83mm ID x 94.9mm OD x 1.7mm Thk

1шт.

13

5141469

SHIM,83mm ID x 94.9mm OD x 1.8mm Thk

1шт.

13

5141470

SHIM,83.00mm ID x 94.50mm OD x 1.90mm T

1шт.

13

5141471

SHIM,83.00mm ID x 94.50mm OD x 2.00mm T

1шт.

14

11062676

SNAP RING,M95, Int

1шт.

15

NSS

NOT SOLD SEPARAT

Keep, Incl in 1

1шт.

16

14276934

BOLT,Hex, M12 x 1.25 x 78mm, Cl 10.9

2шт.

Выбрано товаров: 27