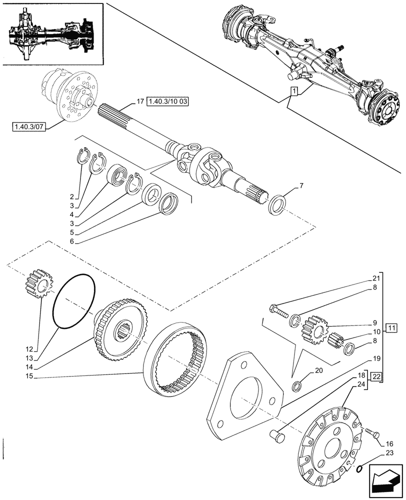
Запчасти Case IH JX90 (1.40.3/10[04]) - (VAR.115) 4WD FRONT AXLE, PLANETARY CARRIER SHAFT (04) - FRONT AXLE & STEERING

Схема запчастей Case IH JX90 - (1.40.3/10[04]) - (VAR.115) 4WD FRONT AXLE, PLANETARY CARRIER SHAFT (04) - FRONT AXLE & STEERING
19
14
10
21
3
9
6
8
8
20
4
22
13
3
16
17
23
1.40.3/10 03
1
15
2
24
5
1.40.3/07
11
12
18
7
FIT
1:1
100%

Артикул

Название

Примечание

Количество

1

87307623

4WD, ASSY, Incl 2 - 24

1шт.

2

11068376

SNAP RING,M35, Ext x 1.5 Thk

1шт.

3

11061076

SNAP RING,M62, Int

2шт.

4

28042470

BALL BEARING,35mm ID x 62mm OD x 14mm W

1шт.

5

87350856

SEAL,38.4mm ID x 62mm OD x 10mm Thk

1шт.

6

4996762

RETAINER,40.2mm ID x 62mm OD x 6mm L

1шт.

7

5133799

SEAL,42mm ID x 62mm OD x 17mm Thk

1шт.

8

5145499

THRUST WASHER,30mm ID x 50mm OD x 0.8mm Thk

6шт.

9

87303252

PLANETARY GEAR

Final Drive

3шт.

10

5145492

ROLLER BEARING,30.3mm ID x 40.3mm OD x 29.8mm W

Needle, Final Drive

3шт.

11

87303291

CARRIER

ASSY, Incl 8-10, 18-19, 21-22

1шт.

12

5137107

SUN GEAR

Final Drive

1шт.

13

4997571

CIRCLIP

Ring, Locking

1шт.

14

5142047

PLANET CARRIER

1шт.

15

5108749

RING GEAR

1шт.

16

14233734

BOLT,Hex, M10 x 1.25 x 35mm, Cl 10.9, Full Thd

12шт.

17

5164345

HALF SHAFT

RH, Wheel, ASSY

1шт.

17

5164342

AXLE-SHAFT, ARTICULA

LH, Wheel, ASSY

1шт.

18

87304540

PIN,30.3mm OD x 68mm L

3шт.

19

47137794

RING

1шт.

20

5140018

SNAP RING,M30, Ext

2шт.

21

14274424

LOCK BOLT,Hex, M12 x 1.25 x 25mm, Cl 8.8, Full Thd

3шт.

22

87312520

SUPPORT

ASSY, Incl 24

1шт.

23

10263460

SEAL,22.3mm ID x 28mm OD x 1.5mm Thk

1шт.

24

NSS

NOT SOLD SEPARAT

Support, Incl in 22

1шт.

Выбрано товаров: 25