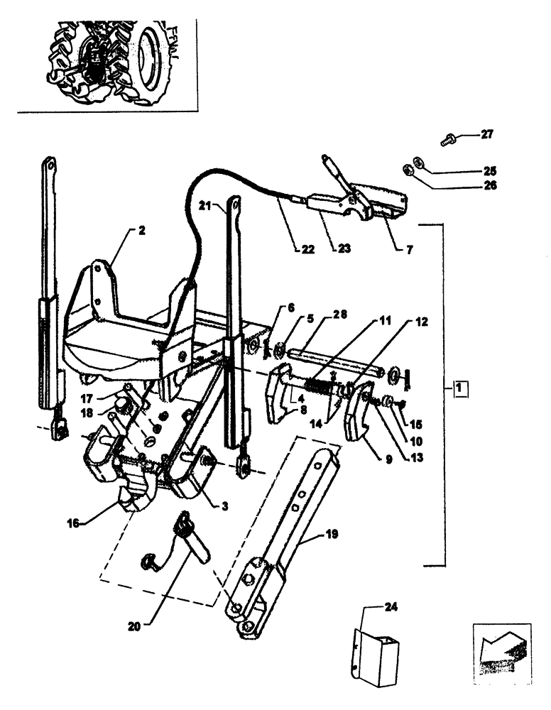
Запчасти Case IH JX95 (1.89.6/04) - (VAR.929) TOW HOOK AND BAR (PICK-UP) - DRAWBAR AND SUPPORT (09) - IMPLEMENT LIFT

Схема запчастей Case IH JX95 - (1.89.6/04) - (VAR.929) TOW HOOK AND BAR (PICK-UP) - DRAWBAR AND SUPPORT (09) - IMPLEMENT LIFT
20
16
10
17
14
7
15
11
3
2
6
13
25
19
9
1
4
28
21
12
26
18
5
23
27
22
24
8
FIT
1:1
100%

Артикул

Название

Примечание

Количество

1

5093990

HITCH

1шт.

2

5080414

DRAWBAR FRAME

1шт.

3

5080415

DRAW HOOK

1шт.

4

82018239

PIN,24mm OD x 341mm L

1шт.

5

81863620

WASHER,29mm ID x 50mm OD x 4mm Thk

2шт.

6

81868739

COTTER PIN

2шт.

7

5080418

SUPPORT

1шт.

8

82008309

LATCH

2шт.

9

82008310

LATCH

1шт.

10

81870094

SPACER,8.75mm ID x 34.72mm OD x 15.1mm L

2шт.

11

81872300

SPRING,42.5mm OD x 92mm L

2шт.

12

82020345

LEVER

2шт.

13

82002862

KEY,8mm x 32.5mm L

2шт.

14

14442024

SCREW,Flat Csk Hd, M8 x 1.25 x 20mm, Cl 8.8

M8 x 20

2шт.

15

16043424

SCREW,Hex, M8 x 1.25 x 20mm, Cl 8.8, Full Thd

2шт.

16

82024036

HOOK

1шт.

17

82018046

PIN,22.4mm OD x 101.5mm L

2шт.

18

82006638

GROMMET,35mm OD

1шт.

19

82025930

DRAWBAR

1шт.

20

82025933

PIN,32mm OD x 180mm L

1шт.

21

82018047

TIE-ROD

2шт.

22

5080416

CABLE

1шт.

23

5080417

LEVER

1шт.

24

5094120

SUPPORT

1шт.

25

10571579

LOCK WASHER,M6

2шт.

26

15896211

NUT,M6, Cl 8

2шт.

27

10903421

BOLT,Hex, M6 x 45mm, Cl 8.8

2шт.

28

82018252

PIN,28mm OD x 340mm L

1шт.

Выбрано товаров: 28