Запчасти Case IH JX95 (1.28.1/02[02]) - VAR - 113, 335113 - GEARBOX - 20+12 SYNCHRO SHUTTLE+CREÈPER - SHAFTAND COVER (03) - TRANSMISSION

Схема запчастей Case IH JX95 - (1.28.1/02[02]) - VAR - 113, 335113 - GEARBOX - 20+12 SYNCHRO SHUTTLE+CREÈPER - SHAFTAND COVER (03) - TRANSMISSION
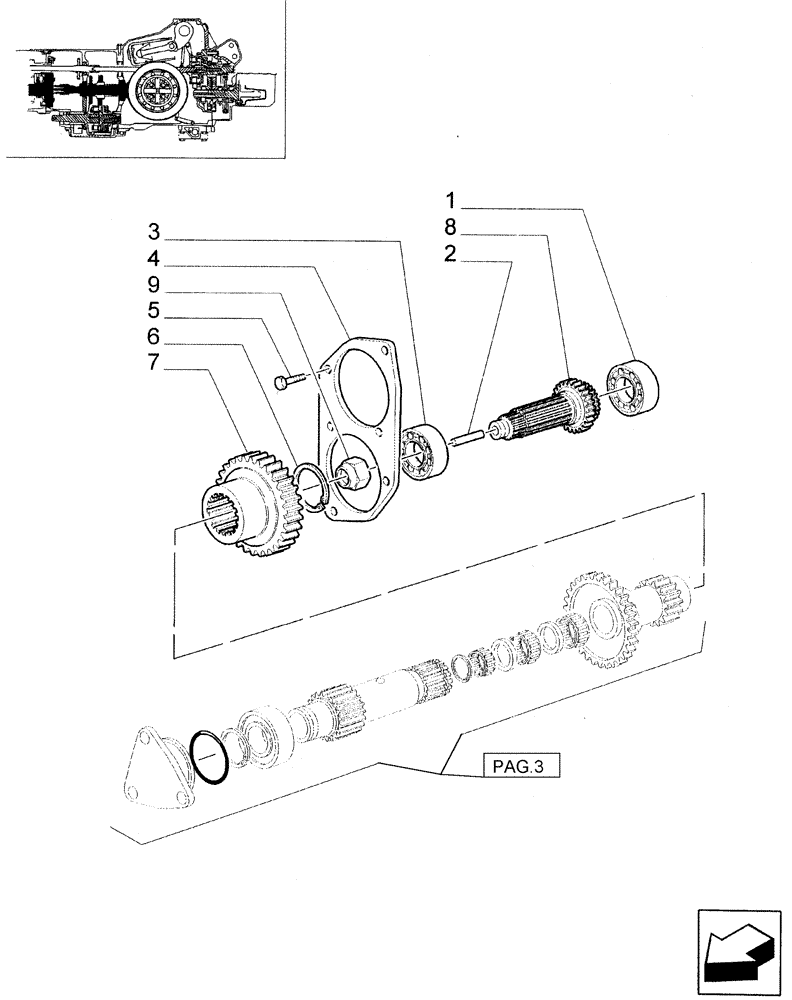
7
1
4
2
9
8
3
6
5
FIT
1:1
100%

Артикул

Название

Примечание

Количество

1

5126458

BEARING, ROLLER, CYL,27.5mm ID x 52mm OD x 21mm W

1шт.

2

5145131

RIGID TUBE

1шт.

3

28995880

BALL BEARING,35mm ID x 80mm OD x 21mm W

1шт.

4

5137550

COVER

1шт.

5

14238024

BOLT,Hex, M8 x 1.25 x 20mm, Cl 8.8, Full Thd

1шт.

6

11069576

SNAP RING,M55, Ext

1шт.

7

5160666

DRIVEN GEAR

1шт.

8

5125045

SHAFT

1шт.

9

5137678

RING NUT

1шт.

Выбрано товаров: 9