Запчасти Case IH JX95 (1.40.2/06[01]) - VAR - 539, 335539 - FRONT AXLE - BEVEL GEAR PAIR - SHIMS AND BEARINGS (04) - FRONT AXLE & STEERING

Схема запчастей Case IH JX95 - (1.40.2/06[01]) - VAR - 539, 335539 - FRONT AXLE - BEVEL GEAR PAIR - SHIMS AND BEARINGS (04) - FRONT AXLE & STEERING
11
6
5
pag. 2
7
1.40.3/07
4
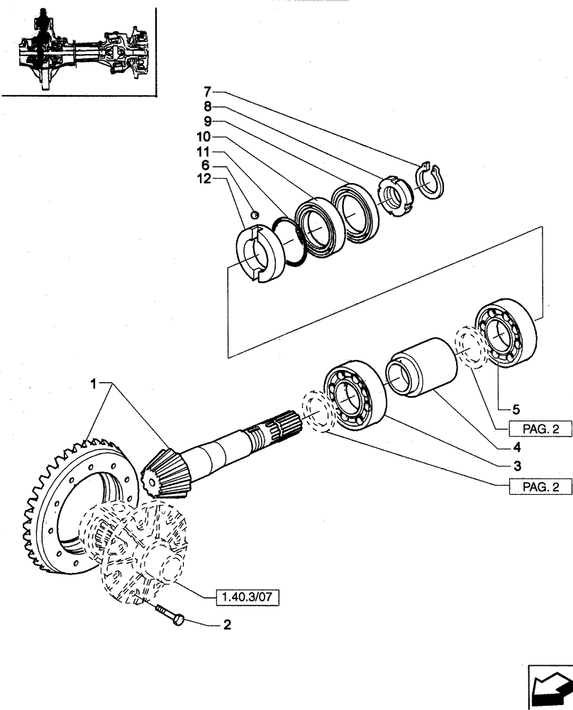
1
12
10
8
3
9
pag. 2
FIT
1:1
100%

Артикул

Название

Примечание

Количество

1

5142023

GEAR SET

(9/39), Ring & Pinion

1шт.

2

14274434

LOCK BOLT,Hex, M12 x 1.25 x 25mm, Cl 10.9, Full Thd

8шт.

3

5143109

TAPERED BEARING,41.27mm x 82.55mm x 26.54mm

1шт.

4

5169235

SPACER,35.4mm ID x 42mm OD x 63.5mm L

1шт.

5

5133776

TAPERED BEARING,35.00mm x 72.00mm x 28.00mm

1шт.

6

20419320

BALL,6.35mm OD

1шт.

7

11067776

SNAP RING,M29, Ext

1шт.

8

5143242

RING NUT,M35 x 1.5

1шт.

9

4997451

SEAL PROTECTION,45.4mm ID x 75mm OD x 1mm Thk

1шт.

10

5135294

SEAL,45mm ID x 75mm OD x 12mm Thk

D=45x75x10-12

1шт.

12

5142026

RING,35.1mm ID x 45mm OD x 22mm L

1шт.

Выбрано товаров: 11