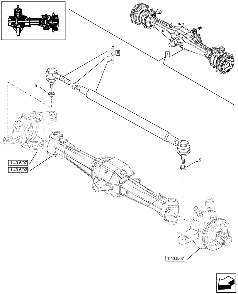
Запчасти Case IH JX95 (1.40.5/12) - 4WD FRONT AXLE, STEERING TIE-ROD - FOR HIGH CLEARENCE VERSION (04) - FRONT AXLE & STEERING

Схема запчастей Case IH JX95 - (1.40.5/12) - 4WD FRONT AXLE, STEERING TIE-ROD - FOR HIGH CLEARENCE VERSION (04) - FRONT AXLE & STEERING
1.40.5/02
6
3
5
5
4
2
1
1.40.5/07
1.40.5/07
FIT
1:1
100%

Артикул

Название

Примечание

Количество

1

87307627

FRONT AXLE

4WD, ASSY, Incl 2 - 6

1шт.

2

5109553

BALL JOINT

1шт.

3

587302

LOCK NUT,Hex, M20 x 1

1шт.

4

5142246

STEERING TIE-ROD

1шт.

5

12575914

LOCK NUT

2шт.

6

5142245

TRACK ROD ASSY

ASSY, Incl 2 - 4

1шт.

Выбрано товаров: 6