Запчасти Case IH JX95 (1.75.4/02) - (VAR.007) NORTH AMERICA VERSION - VARIOUS WIRES (06) - ELECTRICAL SYSTEMS

Схема запчастей Case IH JX95 - (1.75.4/02) - (VAR.007) NORTH AMERICA VERSION - VARIOUS WIRES (06) - ELECTRICAL SYSTEMS
4
13
3
7
6
4
9
10
8
2
1
11
7
12
FIT
1:1
100%

Артикул

Название

Примечание

Количество

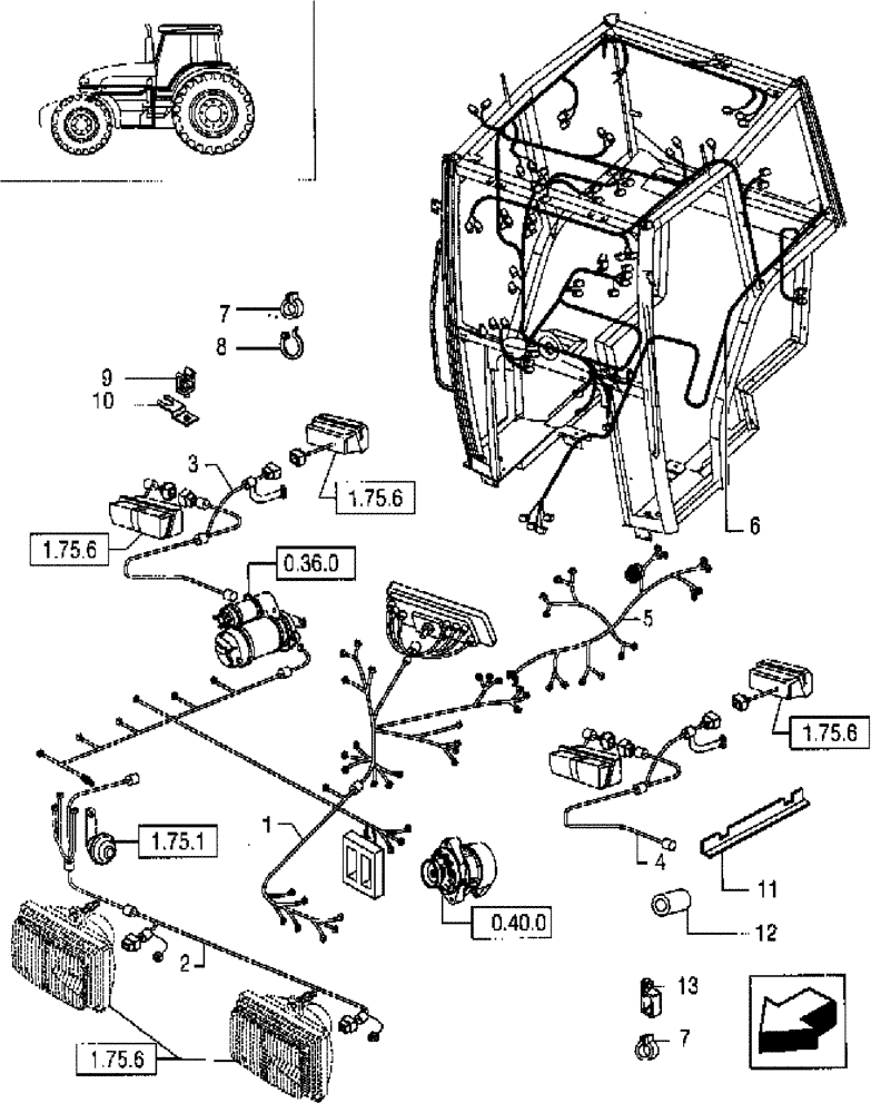
1

5094763

WIRE HARNESS

Main, W/Cab

1шт.

1

5094765

WIRE HARNESS

Main, L/Cab

1шт.

1

5092351

WIRE HARNESS

Instrument, W/Cab

1шт.

Used with 5094763.

1шт.

1

5092145

WIRE HARNESS

Instrument, L/Cab

1шт.

Used with 5094765.

1шт.

1

5096446

WIRE HARNESS

Main, W/Cab, Serial Range: HFJ032132-HFJ038561

1шт.

Also order part number 504088077 Engine Stop and KSB Harness.

1шт.

1

5096447

WIRE HARNESS

Main, L/Cab, Serial Range: HFJ032757-HFJ039142

1шт.

2

5092140

WIRE HARNESS

Head Lamp

1шт.

2

5096456

WIRE HARNESS

Head Lamp

1шт.

Used from HJF032132 to HJF038561 W/Cab and from HJF032757 to HJF039142 L/Cab.

1шт.

3

5092143

ELECTRIC CABLE

RH

1шт.

4

5092144

WIRE HARNESS

LH

1шт.

5

5092141

WIRE HARNESS

Chassis/Transmission

1шт.

5

5096761

WIRE HARNESS

Chassis/Transmission

1шт.

Used from HFJ028904 to HFJ038561 W/Cab and from HFJ028950 to HFJ039142 L/Cab.

1шт.

6

5094101

WIRE HARNESS

Cab

1шт.

7

5088304

CLAMP

CLAMP

4шт.

8

5112712

COLLAR,M4.8 x 283

10шт.

9

5121360

LOCKING PLATE

1шт.

10

14574180

CLIP,15mm ID, 6mm Bolt Hole, P Type

1-14

1шт.

11

5093288

COVER

CABLE PROTECTION COVER (RH & LH)

1шт.

12

5093911

GROMMET

2шт.

13

5085041

COLLAR

1шт.

Выбрано товаров: 25