Запчасти Case IH JX95 (1.80.1) - POWER TAKE-OFF (540 RPM) (07) - HYDRAULIC SYSTEM

Схема запчастей Case IH JX95 - (1.80.1) - POWER TAKE-OFF (540 RPM) (07) - HYDRAULIC SYSTEM
1.25.0
20
25
5
19
1
21
24
3
9
27
29
2
12
10
14
23
7
22
17
4
1.21.0
16
11
30
26
18
28
15
17
8
13
10
6
FIT
1:1
100%

Артикул

Название

Примечание

Количество

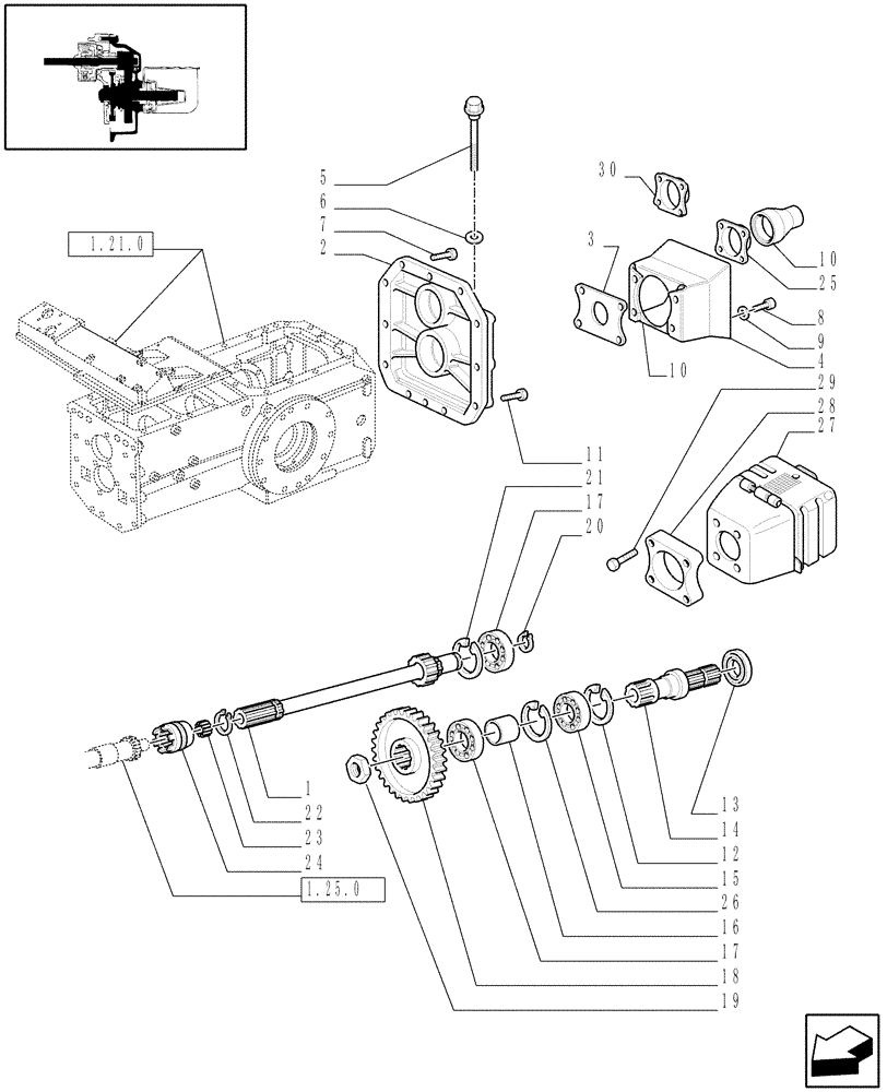
1

47132984

SHAFT

1шт.

2

5164003

COVER

1шт.

3

5104039

GUARD

1шт.

4

5093969

COVER

1шт.

5

47134050

DIPSTICK

1шт.

6

10263460

SEAL,22.3mm ID x 28mm OD x 1.5mm Thk

1шт.

7

11391524

SCREW,Hex, M16 x 1.5 x 45mm, Cl 8.8, Full Thd

4шт.

8

14306324

HEX SOC SCREW,M8 x 1.25 x 20mm, Cl 8.8, Full Thd

4шт.

9

10571779

LOCK WASHER,Helical Spring, 8.10mm ID x 14.80mm OD x 2.00mm, ZNM

4шт.

10

5171520

SHIELD,132mm L

1шт.

11

15981324

BOLT,Hex, M16 x 1.5 x 75mm, Cl 8.8

6шт.

12

11061976

SNAP RING,M80, Int

1шт.

13

5111518

SEAL,50mm ID x 80mm OD x 10mm Thk

1шт.

14

5109726

SHAFT

1шт.

15

20915780

BALL BEARING,40mm ID x 80mm OD x 18mm W

1шт.

16

5109727

SPACER,40.1mm ID x 50mm OD x 43mm L

1шт.

17

20943310

BALL BEARING,40mm ID x 90mm OD x 23mm W

40 x 90 x 23 mm

2шт.

18

5109725

DRIVEN GEAR

1шт.

19

5122985

NUT,Ring, M32, 1.5 Pitch

1шт.

20

11068876

SNAP RING,M40, Ext

1шт.

21

11062476

SNAP RING,M90, Int

1шт.

22

11068376

SNAP RING,M35, Ext x 1.5 Thk

1шт.

23

5103238

NEEDLE BEARING,15mm ID x 21mm OD x 16mm W

1шт.

24

5167983

SPLINED COUPLING,12T

1шт.

25

5155332

SEAL PROTECTION,115mm ID x 122mm OD x 29mm Thk

, Serial Range: -C6954

1шт.

26

5164109

CIRCLIP

1шт.

27

5199352

GUARD

VAR.210-593

1шт.

28

5093107

SPACER

VAR.593

1шт.

29

16044621

SCREW,Hex, M8 x 70mm, Cl 8.8

VAR.593

4шт.

30

84402411

GUARD

, Start Serial: D6954

1шт.

Выбрано товаров: 30