Запчасти Case IH JX95 (1.82.7/03A) - 4 CONTROL VALVES (1 S/D W/KICK OUT W/FLOAT W/ FLOW CONTROL + 1 D W/KICK OUT W/FLOAT + 2 D) (07) - HYDRAULIC SYSTEM

Схема запчастей Case IH JX95 - (1.82.7/03A) - 4 CONTROL VALVES (1 S/D W/KICK OUT W/FLOAT W/ FLOW CONTROL + 1 D W/KICK OUT W/FLOAT + 2 D) (07) - HYDRAULIC SYSTEM
4
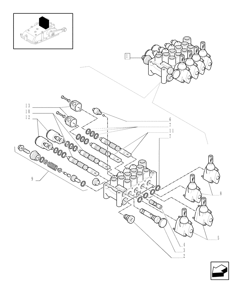
13
9
7
10
8
7
11
2
1
12
3
6
5
FIT
1:1
100%

Артикул

Название

Примечание

Количество

1

87391323

CONTROL VALVE

1шт.

2

5080803

SPOOL

1шт.

3

5080802

SPOOL

1шт.

4

5080801

SPOOL

1шт.

5

5080469

CONTROL LEVER

2шт.

6

5080458

ADAPTER

1шт.

7

5080460

SEAL KIT

4шт.

8

5080438

CONTROL LEVER

2шт.

9

5080455

VALVE PRESSURE RELIE

1шт.

10

5080800

SPOOL

2шт.

11

5080799

SPOOL

2шт.

12

5080798

CAP

2шт.

13

5080797

CAP

2шт.

Выбрано товаров: 0