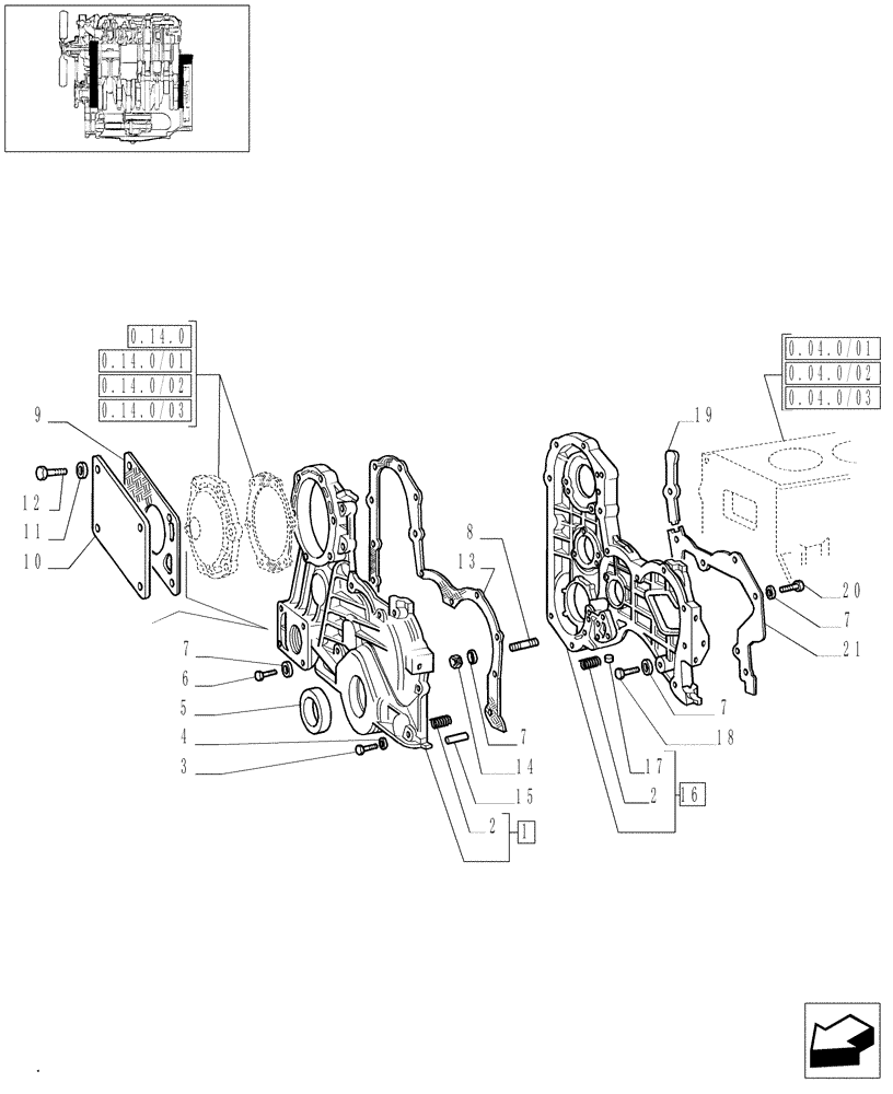
Запчасти Case IH JX95 (0.04.3/01[01]) - COVERS & GASKETS, FRONT (01) - ENGINE

Схема запчастей Case IH JX95 - (0.04.3/01[01]) - COVERS & GASKETS, FRONT (01) - ENGINE
20
10
14
5
7
8
16
4
12
18
2
9
19
1
3
2
21
7
7
15
17
11
0.14.0
0.04.0/01
0.04.0/02
0.04.0/03
0.14.0/03
0.14.0/02
0.14.0/01
7
13
6
FIT
1:1
100%

Артикул

Название

Примечание

Количество

1

4769749

COVER

Assy

1шт.

2

13526170

THREADED INSERT

5шт.

3

15888824

BOLT,Hex, M10 x 1.25 x 70mm, Cl 8.8

1шт.

4

14499521

WASHER,10.5mm ID x 18mm OD x 2mm Thk

M10 x 18

1шт.

5

504127326

SEAL,42.2mm ID x 65mm OD x 12mm Thk

1шт.

6

16043924

BOLT,Hex, M8 x 1.25 x 35mm, Cl 8.8, Full Thd

1шт.

6

16044621

SCREW,Hex, M8 x 70mm, Cl 8.8

3шт.

6

16044921

BOLT,Hex, M8 x 1.25 x 85mm, Cl 8.8

M8X1,25X85

3шт.

6

16044224

BOLT,Hex, M8 x 1.25 x 50mm, Cl 8.8

4шт.

7

12638501

WASHER,8.15mm ID x 15mm OD x 1.5mm Thk

15шт.

8

13543624

STUD,M8 x 1.25 x 46mm L, 22 Thd, Cl 8.8

M8 x 16 x 30

4шт.

8

504122008

STUD

2шт.

8

13546921

STUD,M10 x 1.25 x 20mm x 50mm

M8X12X22

3шт.

9

504092108

GASKET

1шт.

10

564530

COVER

1шт.

11

11197774

BELLEVILLE WASHER,M6 Bolt Size x 12mm OD x 1.2mm Thk

8,4X16

4шт.

12

10902424

SCREW,Hex, M6 x 20mm, Cl 8.8, Full Thd

4шт.

13

98418138

GASKET,0.8mm Thk

1шт.

14

43362

NUT,M8 x 1.25, Cl 10

1шт.

15

10839610

DOWEL,M8 x 12mm

D=8 x 12 mm

2шт.

16

504120947

HOUSING

1шт.

17

4605220

LUBE OIL NOZZLE

LUBE OIL JET NOZZLE

1шт.

18

16043524

SCREW,Hex, M8 x 1.25 x 22mm, Cl 8.8, Full Thd

2шт.

19

98432469

GASKET,0.8mm Thk

1шт.

20

16043824

SCREW,Hex, M8 x 1.25 x 30mm, Cl 8.8, Full Thd, DAC

1шт.

21

98424046

GASKET,0.8mm Thk

1шт.

Выбрано товаров: 26