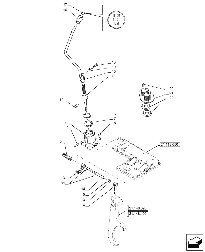
Запчасти Case IH JX95HC PLUS (21.130.010) - STD + VAR - 335113, 390110 - TRANSMISSION, CONTROL LEVER, GEARSHIFT (21) - TRANSMISSION

Схема запчастей Case IH JX95HC PLUS - (21.130.010) - STD + VAR - 335113, 390110 - TRANSMISSION, CONTROL LEVER, GEARSHIFT (21) - TRANSMISSION
7
3
14
10
4
2
22
17
5
11
15
21
18
1
19
6
21.148.100
12
21.148.090
8
13
16
20
9
21.118.050
FIT
1:1
100%

Артикул

Название

Примечание

Количество

1

5172875

LEVER

1шт.

2

5127962

SPRING

1шт.

3

5132334

SPACER,22.1mm ID x 30mm OD x 11mm L

1шт.

4

5127965

LEVER

1шт.

5

13907670

ROLL PIN,M5 x 30, Coiled

1шт.

6

11059976

SNAP RING,M40, Int

1шт.

7

4984223

SEAL,23mm ID x 40.5mm OD x 9.5mm Thk

1шт.

8

16043521

SCREW,Hex, M8 x 22mm, Cl 8.8, Full Thd

3шт.

9

5125535

DOWEL

2шт.

10

5176076

SUPPORT

1шт.

11

14607270

LOCK PIN,M8 x 40, Slotted

2шт.

12

14601670

LOCK PIN,M5 x 40, Slotted

2шт.

13

5175998

LEVER

1шт.

14

5089404

ROD

1шт.

15

5099475

LEVER

1шт.

16

84210474

KNOB

1шт.

17

84210476

SYMBOL

Gearshift

1шт.

18

16044121

BOLT,Hex, M8 x 45mm, Cl 8.8

1шт.

19

10569374

LOCK WASHER,M8

1шт.

20

14591987

BUTTON,8mm OD x 12mm L, Black

Black

7шт.

21

5093583

BELLOWS

1шт.

22

5129575

BOOT

2шт.

Выбрано товаров: 22