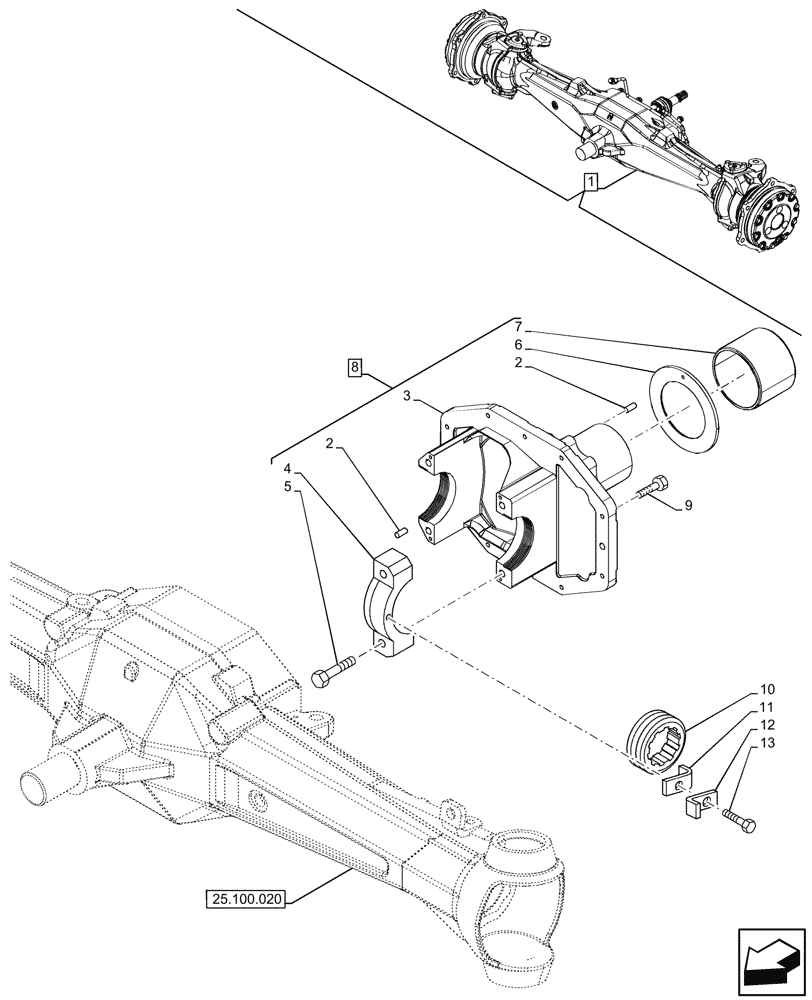
Запчасти Case IH JX95HC PLUS (25.102.010) - STD + VAR - 391244 - 4WD FRONT AXLE, DIFFERENTIAL, SUPPORT (25) - FRONT AXLE SYSTEM

Схема запчастей Case IH JX95HC PLUS - (25.102.010) - STD + VAR - 391244 - 4WD FRONT AXLE, DIFFERENTIAL, SUPPORT (25) - FRONT AXLE SYSTEM
1
9
3
11
8
25.100.020
13
6
2
7
12
4
2
10
5
FIT
1:1
100%

Артикул

Название

Примечание

Количество

1

87307627

FRONT AXLE

4WD, ASSY, Incl 2 - 13

1шт.

2

4966244

PIN,5mm OD x 15mm L

3шт.

3

NSS

NOT SOLD SEPARAT

Differential Gearing Support, Incl in 8

1шт.

4

NSS

NOT SOLD SEPARAT

Support w/ Pin, Incl in 8

2шт.

5

14275334

BOLT,Lock, Hex, M12 x 1.25 x 70mm, Cl 10.9

4шт.

6

5136119

RING,90.3mm ID x 136mm OD x 5mm Thk

1шт.

7

5136120

BUSHING,90mm ID x 99.05mm OD x 72mm L

Support

1шт.

8

5153612

CARRIER,Bevel Gear

Support, Differential Gearing, ASSY, Incl 2 - 7

1шт.

9

14274631

LOCK BOLT,Hex, M12 x 1.25 x 35mm, Cl 10.9

10шт.

10

4996750

RING NUT,M100 x 2

2шт.

11

4996751

PLATE

2шт.

12

562659

PLATE

2шт.

13

15970524

BOLT,Hex, M10 x 1.25 x 20mm, Cl 8.8, Full Thd

2шт.

Выбрано товаров: 13