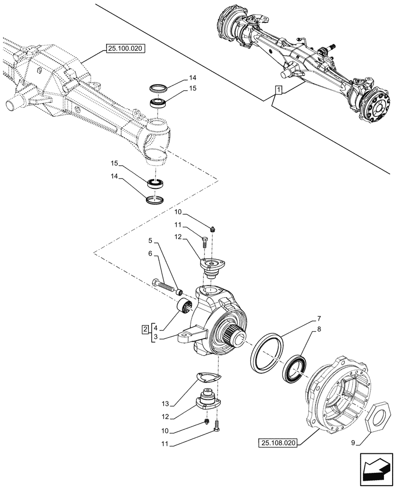
Запчасти Case IH JX95HC PLUS (25.108.010) - STD + VAR - 391244 - 4WD FRONT AXLE, STEERING KNUCKLE (25) - FRONT AXLE SYSTEM

Схема запчастей Case IH JX95HC PLUS - (25.108.010) - STD + VAR - 391244 - 4WD FRONT AXLE, STEERING KNUCKLE (25) - FRONT AXLE SYSTEM
10
25.108.020
6
12
13
11
4
7
1
14
9
25.100.020
5
15
14
12
8
3
10
2
15
11
FIT
1:1
100%

Артикул

Название

Примечание

Количество

1

87307627

FRONT AXLE

4WD, ASSY, Incl 2 - 15

1шт.

2

5142018

STEERING KNUCKLE

LH

1шт.

2

5142019

STEERING KNUCKLE

RH

1шт.

3

NSS

NOT SOLD SEPARAT

Steering Knuckle, Incl in 2

1шт.

4

87525550

BUSHING,42.1mm ID x 46.13mm OD x 28mm L

1шт.

5

5148495

SPACER,10.2mm ID x 22mm OD x 13.5mm L

1шт.

6

5126628

BOLT,Hex, M10 x 1.25 x 30mm, Cl 10.9

1шт.

7

87309584

OIL SEAL,165mm ID x 190mm OD x 16.5mm Thk

1шт.

8

5136951

TAPERED BEARING,95mm ID x 135mm OD x 20mm W

2шт.

9

5142020

NUT,Hex, M75 x 2

1шт.

10

5120532

LUBE NIPPLE,Straight, M14 x 1.5 x 6.50mm

2шт.

11

14274531

BOLT,Hex, M12 x 1.25 x 30mm, Cl 10.9

6шт.

12

5137239

BALL STUD

2шт.

13

5137456

SHIM,56.5mm ID x 97mm OD x 0.1mm Thk

1шт.

13

5137457

SHIM,56.5mm ID x 97mm OD x 0.15mm Thk

1шт.

13

5137458

SHIM,56.5mm ID x 97mm OD x 0.2mm Thk

1шт.

13

5137459

SHIM,56.5mm ID x 97mm OD x 0.25mm Thk

1шт.

13

5137460

SHIM,56.5mm ID x 97mm OD x 0.3mm Thk

1шт.

14

5121471

SEAL,56mm ID x 70mm OD x 7.5mm Thk

2шт.

15

5119699

SPHERICAL BEARING,30.16mm ID x 64.29mm OD x 21.43mm W

2шт.

Выбрано товаров: 20