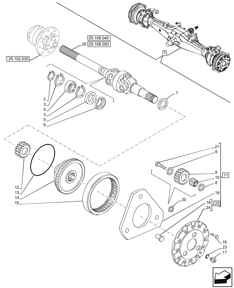
Запчасти Case IH JX95HC PLUS (25.108.030) - STD + VAR - 391244 - 4WD FRONT AXLE, PLANETARY CARRIER SHAFT (25) - FRONT AXLE SYSTEM

Схема запчастей Case IH JX95HC PLUS - (25.108.030) - STD + VAR - 391244 - 4WD FRONT AXLE, PLANETARY CARRIER SHAFT (25) - FRONT AXLE SYSTEM
13
17
15
22
5
21
19
3
16
18
25.108.050
1
14
25.108.040
8
6
12
25
10
3
11
23
24
8
2
25.102.030
9
20
7
4
FIT
1:1
100%

Артикул

Название

Примечание

Количество

1

87307627

FRONT AXLE

4WD, ASSY, Incl 2 - 25

1шт.

2

11068376

SNAP RING,M35, Ext x 1.5 Thk

1шт.

3

11061076

SNAP RING,M62, Int

2шт.

4

28042470

BALL BEARING,35mm ID x 62mm OD x 14mm W

1шт.

5

87350856

SEAL,38.4mm ID x 62mm OD x 10mm Thk

1шт.

6

4996762

RETAINER,40.2mm ID x 62mm OD x 6mm L

1шт.

7

5133799

SEAL,42mm ID x 62mm OD x 17mm Thk

1шт.

8

5145499

THRUST WASHER,30mm ID x 50mm OD x 0.8mm Thk

6шт.

9

87303252

PLANETARY GEAR

Final Drive

3шт.

10

5145492

ROLLER BEARING,30.3mm ID x 40.3mm OD x 29.8mm W

Needle, Final Drive

3шт.

11

87303291

CARRIER

ASSY, Incl 22, 24

1шт.

12

5137107

SUN GEAR

Final Drive

1шт.

13

4997571

CIRCLIP

Ring, Locking

1шт.

14

5142047

PLANET CARRIER

1шт.

15

5108749

RING GEAR

1шт.

16

14233734

BOLT,Hex, M10 x 1.25 x 35mm, Cl 10.9, Full Thd

12шт.

17

14326211

PLUG,M22 x 1.50, R50, ZND

1шт.

18

87304540

PIN,30.3mm OD x 68mm L

3шт.

19

47137794

RING

1шт.

20

5140018

SNAP RING,M30, Ext

4шт.

21

14274424

LOCK BOLT,Hex, M12 x 1.25 x 25mm, Cl 8.8, Full Thd

3шт.

22

87312520

SUPPORT

ASSY, Incl 24

1шт.

23

10263460

SEAL,22.3mm ID x 28mm OD x 1.5mm Thk

1шт.

24

NSS

NOT SOLD SEPARAT

Support, Incl in 22

1шт.

25

5189210

AXLE-SHAFT, ARTICULA

RH, Wheel, ASSY

1шт.

25

5189211

AXLE-SHAFT, ARTICULA

LH, Wheel, ASSY

1шт.

Выбрано товаров: 26