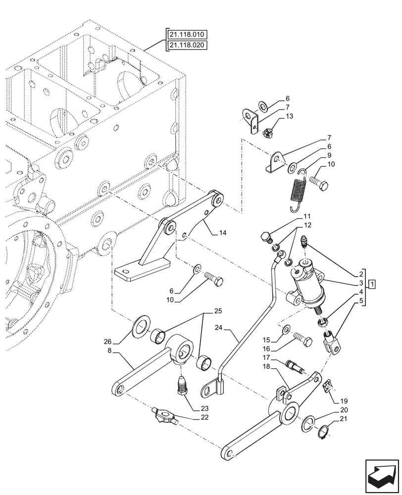
Запчасти Case IH JX95HC PLUS (33.202.010) - STD + VAR - 390110, 335113 - BRAKE CYLINDER, 2WD, RH (33) - BRAKES & CONTROLS

Схема запчастей Case IH JX95HC PLUS - (33.202.010) - STD + VAR - 390110, 335113 - BRAKE CYLINDER, 2WD, RH (33) - BRAKES & CONTROLS
13
23
9
10
18
14
15
25
22
7
8
20
12
21.118.020
21
24
6
19
6
17
4
3
26
2
16
1
7
10
6
21.118.010
5
11
FIT
1:1
100%

Артикул

Название

Примечание

Количество

1

87748455

BRAKE CYLINDER,35.7mm Stroke

ASSY, RH, Incl 2 - 5

1шт.

2

84401441

BLEEDER

1шт.

3

NSS

NOT SOLD SEPARAT

Cylinder, Incl in 1

1шт.

4

11701714

NUT

1шт.

5

10007971

CLEVIS

1шт.

6

12601574

WAVE WASHER,Wave, M13

3шт.

7

5152163

BRACKET

2шт.

8

5097630

SUPPORT

1шт.

9

87725931

SPRING

1шт.

10

15540534

SCREW,Hex, M12 x 1.25 x 35mm, Cl 10.9, Full Thd

2шт.

11

5143514

BANJO BOLT

1шт.

12

87316678

SEALING WASHER,10mm ID x 16mm OD x 2.3mm Thk

4шт.

13

14571880

SPRING CLIP

2шт.

14

5097618

SUPPORT

RH

1шт.

15

12601474

WAVE WASHER,Wave, 10.50mm ID x 21.00mm OD x 0.80mm, 3.00mm, CST, DAC

2шт.

16

15970921

SCREW,Hex, M10 x 1.25 x 35mm, Cl 8.8, Full Thd

4шт.

17

87725815

PIN,10mm OD x 42mm L

2шт.

18

5097622

SUPPORT

RH

1шт.

19

11064174

CLIP

2шт.

20

5118949

WASHER,30.5mm ID x 50mm OD x 2mm Thk

1шт.

21

11067376

SNAP RING,M25, Ext

1шт.

22

5125342

ROCKER ARM

1шт.

23

47862698

SCREW

1шт.

24

87487201

PIPE

1шт.

25

5122339

BUSHING,25.05mm ID x 28mm OD x 15mm L

2шт.

26

5117525

WASHER,25.5mm ID x 36mm OD x 2mm Thk

1шт.

Выбрано товаров: 26