Запчасти Case IH JX95HC PLUS (35.204.120) - STD + VAR - 335413 - REMOTE CONTROL VALVE, REAR, 2 REMOTE CONTROL VALVES (1 S/D + 1 DOUBLE ACTING WITH FLOAT KICK OUT) (35) - HYDRAULIC SYSTEMS

Схема запчастей Case IH JX95HC PLUS - (35.204.120) - STD + VAR - 335413 - REMOTE CONTROL VALVE, REAR, 2 REMOTE CONTROL VALVES (1 S/D + 1 DOUBLE ACTING WITH FLOAT KICK OUT) (35) - HYDRAULIC SYSTEMS
2
3
2
1
35.204.140
35.204.130
2
5
4
3
FIT
1:1
100%

Артикул

Название

Примечание

Количество

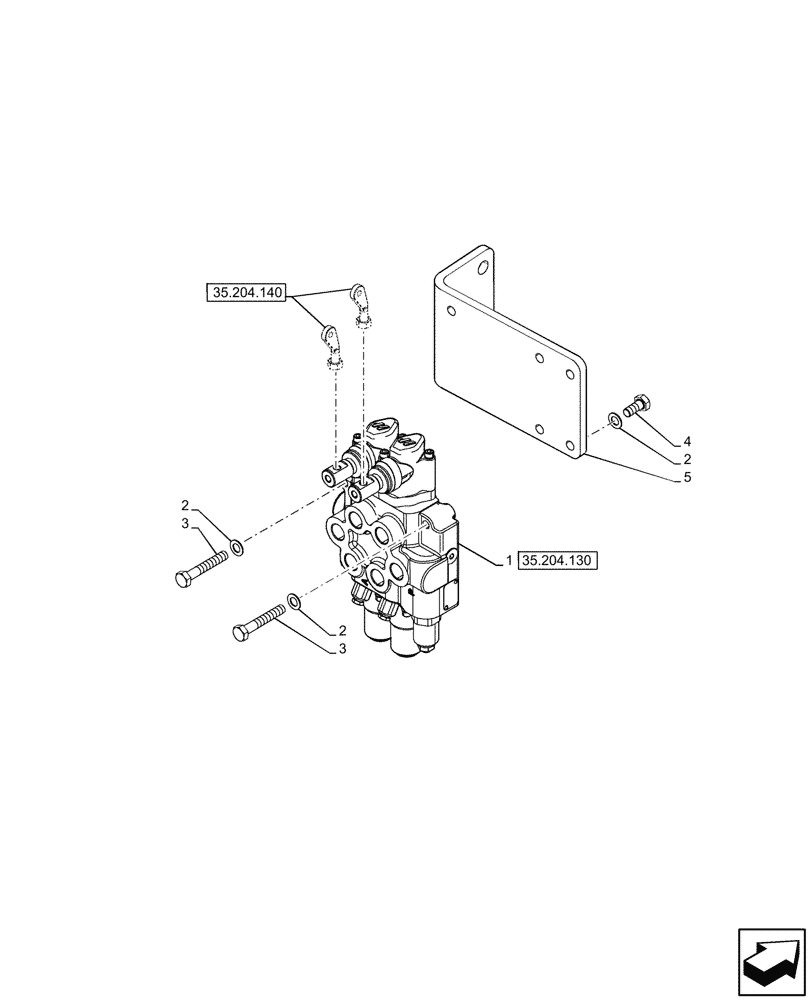
1

84185655

CONTROL VALVE

ASSY

1шт.

2

12601374

WAVE WASHER,Wave, 8.40mm ID x 15.00mm OD x 0.80mm, 3.00mm, CST, DAC

3шт.

3

16044221

SCREW,Hex, M8 x 1.25 x 50mm, Cl 8.8

1шт.

4

16044321

BOLT,M8 x 1.25 x 55mm, Cl 8.8

1шт.

5

5092077

SUPPORT

1шт.

Выбрано товаров: 5