Запчасти Case IH JX95HC PLUS (35.204.200) - VAR - 335103 - REMOTE CONTROL VALVE, REAR, 3 REMOTE CONTROL VALVES (2 S/D W/ KICK OUT AND FLOAT + 1 S/D W/ KICK OUT) (35) - HYDRAULIC SYSTEMS

Схема запчастей Case IH JX95HC PLUS - (35.204.200) - VAR - 335103 - REMOTE CONTROL VALVE, REAR, 3 REMOTE CONTROL VALVES (2 S/D W/ KICK OUT AND FLOAT + 1 S/D W/ KICK OUT) (35) - HYDRAULIC SYSTEMS
2
2
6
35.204.210
1
2
3
5
35.204.240
4
FIT
1:1
100%

Артикул

Название

Примечание

Количество

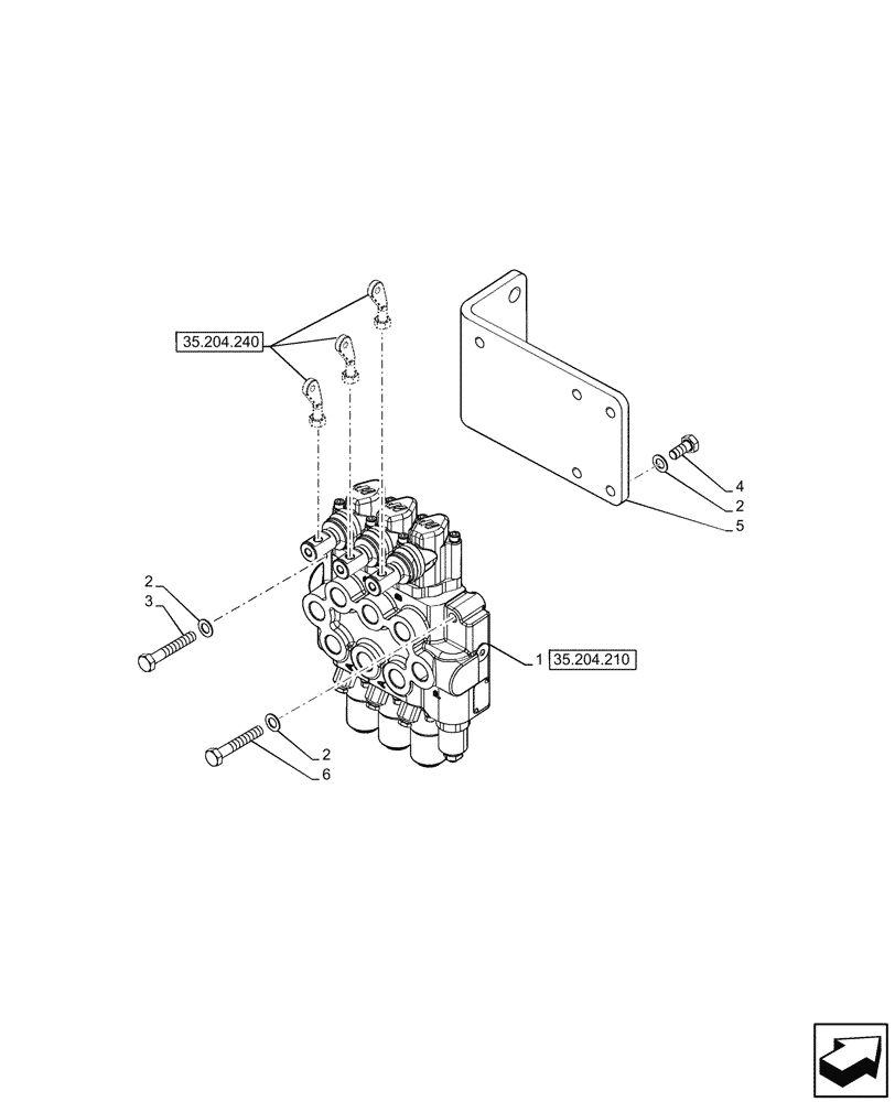
1

84235970

CONTROL VALVE

ASSY

1шт.

2

12601374

WAVE WASHER,Wave, 8.40mm ID x 15.00mm OD x 0.80mm, 3.00mm, CST, DAC

3шт.

3

16044321

BOLT,M8 x 1.25 x 55mm, Cl 8.8

1шт.

4

16043321

BOLT,Hex, M8 x 1.25 x 18mm, Cl 8.8, Full Thd

1шт.

5

5092077

SUPPORT

1шт.

6

16044221

SCREW,Hex, M8 x 1.25 x 50mm, Cl 8.8

1шт.

Выбрано товаров: 6