Запчасти Case IH JX95HC PLUS (37.110.020) - STD + VAR - 334957, 390831 - HYDRAULIC LIFT, REAR, ROCKSHAFT (37) - HITCHES, DRAWBARS & IMPLEMENT COUPLINGS

Схема запчастей Case IH JX95HC PLUS - (37.110.020) - STD + VAR - 334957, 390831 - HYDRAULIC LIFT, REAR, ROCKSHAFT (37) - HITCHES, DRAWBARS & IMPLEMENT COUPLINGS
17
15
16
8
17
11
8
2
6
6
14
5
13
1
9
4
3
37.110.080
37.110.010
13
7
35.116.010
7
10
12
37.110.010
FIT
1:1
100%

Артикул

Название

Примечание

Количество

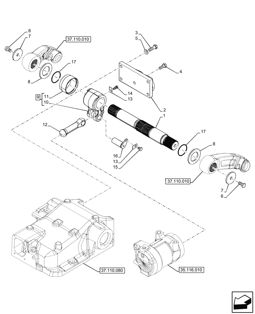
1

87486939

ROCKSHAFT,42T-48T, 488mm L

1шт.

2

47579612

SUPPORT

1шт.

3

11394331

BOLT,Hex, M14 x 1.5 x 45, 8.8, Full Thd

4шт.

4

11408334

BOLT,Hex, M14 x 1.5 x 35, 10.9, Full Thd

1шт.

5

12601674

WAVE WASHER,Wave, M15

4шт.

6

11422321

BOLT,Hex, M14 x 1.5 x 30mm, Cl 8.8

1шт.

7

5122898

WASHER,15mm ID x 70mm OD x 7mm Thk

1шт.

8

5111082

SPACER,55mm ID x 90mm OD x 6mm L

2шт.

9

5165510

ARM

ASSY, Incl 10, 11

1шт.

10

5165509

ARM

1шт.

11

NSS

NOT SOLD SEPARAT

Ring, Incl in 9

1шт.

12

5121221

PISTON ROD,30mm OD x 174mm L

1шт.

13

14198810

LOCKING PLATE,M10

2шт.

14

5117190

SET SCREW,M10 x 1.25 x 23mm

1шт.

15

15970321

SCREW,Hex, M10 x 1.25 x 16mm, Cl 8.8, Full Thd

1шт.

16

5122356

PIN,30mm OD x 74mm L

1шт.

17

5159078

SEAL,55mm ID x 70mm OD x 8mm Thk

2шт.

Выбрано товаров: 0