Запчасти Case IH JX95HC PLUS (37.120.030) - STD + VAR - 334316, 390259 - STABILIZER CYLINDER (37) - HITCHES, DRAWBARS & IMPLEMENT COUPLINGS

Схема запчастей Case IH JX95HC PLUS - (37.120.030) - STD + VAR - 334316, 390259 - STABILIZER CYLINDER (37) - HITCHES, DRAWBARS & IMPLEMENT COUPLINGS
7
8
5
8
37.120.050
5
4
9
6
1
21.118.020
7
1
4
37.120.050
6
37.120.040
3
37.120.040
6
3
9
6
21.118.010
FIT
1:1
100%

Артикул

Название

Примечание

Количество

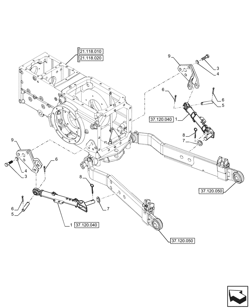
1

5184540

STABILIZER

ASSY

1шт.

2

5099093

SUPPORT

RH

1шт.

3

15981021

SCREW,Hex, M16 x 1.5 x 55mm, Cl 8.8

6шт.

4

12601774

WAVE WASHER,17mm ID x 30mm OD x 1.60mm, 6.30mm Max, CST, DAC

6шт.

5

5103860

PIN,19mm OD x 94mm L

2шт.

6

10798301

COTTER PIN,M6.3 x 36

4шт.

7

84275315

WASHER,28.5mm ID x 45mm OD x 4.5mm Thk

2шт.

8

5112606

COTTER PIN,2.5mm OD x 66.5mm L

2шт.

9

5099092

SUPPORT

LH

1шт.

Выбрано товаров: 9