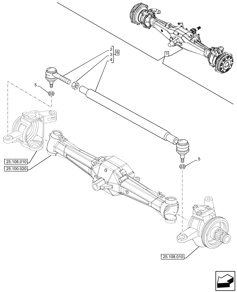
Запчасти Case IH JX95HC PLUS (41.106.010) - STD + VAR - 391244 - 4WD FRONT AXLE, STEERING TIE-ROD (41) - STEERING

Схема запчастей Case IH JX95HC PLUS - (41.106.010) - STD + VAR - 391244 - 4WD FRONT AXLE, STEERING TIE-ROD (41) - STEERING
5
6
1
25.100.020
25.108.010
2
3
25.108.010
4
5
FIT
1:1
100%

Артикул

Название

Примечание

Количество

1

87307627

FRONT AXLE

4WD, ASSY, Incl 2 - 6

1шт.

2

5109553

BALL JOINT

1шт.

3

587302

LOCK NUT,Hex, M20 x 1

1шт.

4

5142246

STEERING TIE-ROD

1шт.

5

12575914

LOCK NUT

2шт.

6

5142245

TRACK ROD ASSY

ASSY, Incl 2 - 4

1шт.

Выбрано товаров: 6