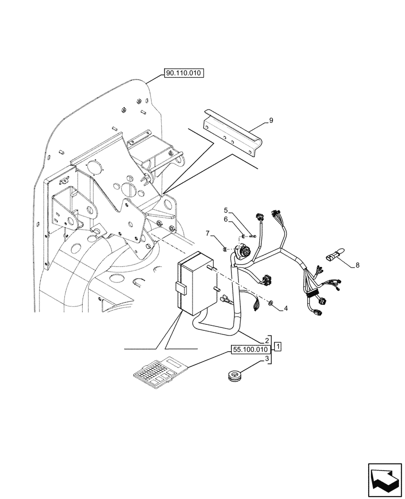
Запчасти Case IH JX95HC PLUS (55.510.020) - STD + VAR - 391606 - CAB, CONSOLE, WIRE HARNESS (55) - ELECTRICAL SYSTEMS

Схема запчастей Case IH JX95HC PLUS - (55.510.020) - STD + VAR - 391606 - CAB, CONSOLE, WIRE HARNESS (55) - ELECTRICAL SYSTEMS
1
7
6
8
9
2
4
90.110.010
55.100.010
3
5
FIT
1:1
100%

Артикул

Название

Примечание

Количество

1

84489811

WIRE HARNESS

Cab, Console, Main, ASSY, Incl 2, 3

1шт.

See Cab Console Main Wire Harness Components also in Figures 55.100.010

1шт.

2

NSS

NOT SOLD SEPARAT

Cab Console, Main Wire Harness, Incl in 1

1шт.

3

5080854

GROMMET

1шт.

4

10615679

LOCK WASHER,Ext Tooth, M8

2шт.

5

13272111

SCREW,Pozidriv Pan Hd, M4 x 14mm, Cl 5.8, Full Thd

4шт.

6

11181479

BELLEVILLE WASHER,M4 Bolt Size x 9mm OD x 0.7mm Thk

4шт.

7

10794011

NUT,M4, Cl 8

4шт.

8

84261590

ELEC CONNECTOR

1шт.

9

5093288

COVER

2шт.

Выбрано товаров: 10